| Обозначение: |  ГОСТ 22362-77 |
| Статус: | действующий |
| Название рус.: | Конструкции железобетонные. Методы измерения силы натяжения арматуры |
| Название англ.: | Reinforced concrete structures. Methods for determination of reinforcement tensioning forse |
| Дата актуализации текста: | 06.04.2015 |
| Дата актуализации описания: | 01.07.2023 |
| Дата издания: | 01.01.1988 |
| Дата введения: | 01.07.1977 |
| Код ОКП: | 580000 |
| Нормативные ссылки: | ГОСТ 8.002-86; ГОСТ 8.136-74; ГОСТ 8.401-80; ГОСТ 166-80; ГОСТ 425-75; ГОСТ 577-68; ГОСТ 7502-80; ГОСТ 8625-77; ГОСТ 9500-84; ГОСТ 10922-75; ГОСТ 12004-81; ГОСТ 18957-73 |
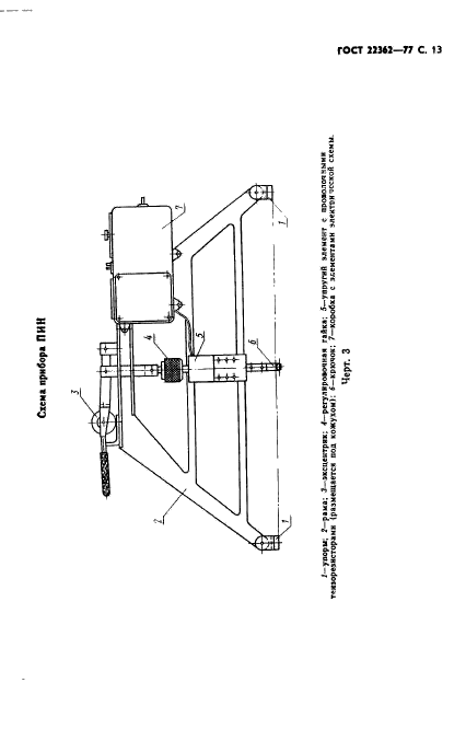
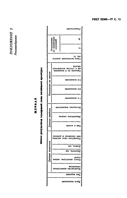
| Область применения: | Настоящий стандарт распространяется на железобетонные предварительно напряженные конструкции, изготовляемые с натяжением арматуры механическим, электротермическим, электротермомеханическим способами, и устанавливает следующие методы измерения силы натяжения арматуры: гравитационный метод измерения; метод измерения по показаниям динамометра; метод измерения по показаниям манометра; метод измерения по величине удлинения арматуры; измерение методом поперечной оттяжки арматуры; частотный метод измерения |
|