| Обозначение: |  ГОСТ 16980-82 |
| Статус: | действующий |
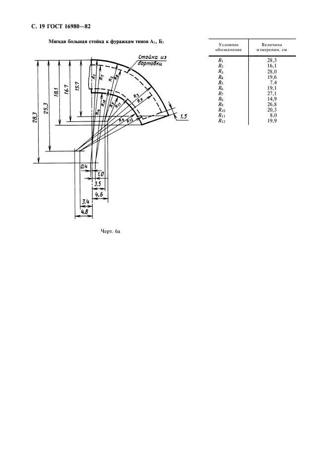
| Название рус.: | Фуражки форменные. Технические условия |
| Название англ.: | Uniform caps. Specifications |
| Дата актуализации текста: | 06.04.2015 |
| Дата актуализации описания: | 01.07.2023 |
| Дата издания: | 01.03.2001 |
| Дата введения: | 01.01.1983 |
| Код ОКП: | 856801 |
| Взамен: | ГОСТ 16980-71 |
| Нормативные ссылки: | ГОСТ 891—75; ГОСТ 1875—83; ГОСТ 3246—84; ГОСТ 3717—84; ГОСТ 4103—82; ГОСТ 5196—75; ГОСТ 5665—77; ГОСТ 5679—85; ГОСТ 6309—87; ГОСТ 6391—80; ГОСТ 9336—74; ГОСТ 9705—78; ГОСТ 9998—86; ГОСТ 11109—74; ГОСТ 11259—79; ГОСТ 15091—80; ГОСТ 15968—87; ГОСТ 19008—82; ГОСТ 19159—85; ГОСТ 20272—83; ГОСТ 21996—76; ГОСТ 24782—81; ГОСТ 25441—82; ГОСТ 27541—87; ГОСТ 27542—87;ОСТ 17-47-86;ОСТ 17-102-78;ОСТ 17-118-71;ОСТ 17-257-84;ОСТ 17-805-85;ОСТ 17-921-82;ОСТ 81-73-73;ТУ 6-16-982-76;ТУ 14-1-3470-82;ТУ 17-40-331-79;ТУ 44-4625-83;ТУ 17 РСФСР 18-7390-76;ТУ 17 РСФСР 60-9913-81;ТУ 17 РСФСР 601072484;ТУ 17 РСФСР 61-6053-77;ТУ 17 РСФСР 62-4463-81;ТУ 17 РСФСР 62-8565-76;ТУ 17 РСФСР 62-8566-77;ТУ 17 РСФСР 62-10645-83;ТУ 17 РСФСР 65-9792-80;ТУ 205 УССР 326-74 |
| Область применения: | Настоящий стандарт распространяется на форменные фуражки для военнослужащих Вооруженных Сил СССР, сотрудников органов МВД, КГБ и вспомогательного флота ВМФ |
| Список изменений: | №1 от 01.03.1988 (рег. 28.06.1987) «Срок действия продлен» |
|