| Обозначение: |  ГОСТ 26505-85 |
| Статус: | действующий |
| Название рус.: | Инструмент для холодноштамповочных автоматов. Ножи отрезные. Конструкция и размеры |
| Название англ.: | Tools for cold-forming machines. Gutters Construction and dimensions |
| Дата актуализации текста: | 06.04.2015 |
| Дата актуализации описания: | 01.07.2023 |
| Дата издания: | 29.10.1985 |
| Дата введения: | 01.07.1987 |
| Код ОКП: | 396329 |
| Нормативные ссылки: | ГОСТ 1535-71; ГОСТ 26405-84; ГОСТ 1050-74; ГОСТ 11378-75; ГОСТ 14959-79; ГОСТ 9389-75 |
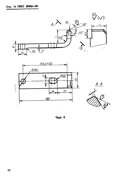
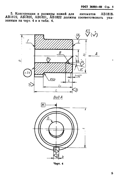
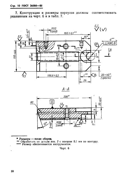
| Область применения: | Настоящий стандарт распространяется на отрезные ножи с твердосплавными вставками для отрезки заготовок гаек номинальным диаметром резьбы от 4 до 20 мм |
| Список изменений: | №1 от 01.01.1991 (рег. 19.12.1989) «Срок действия продлен» |
|