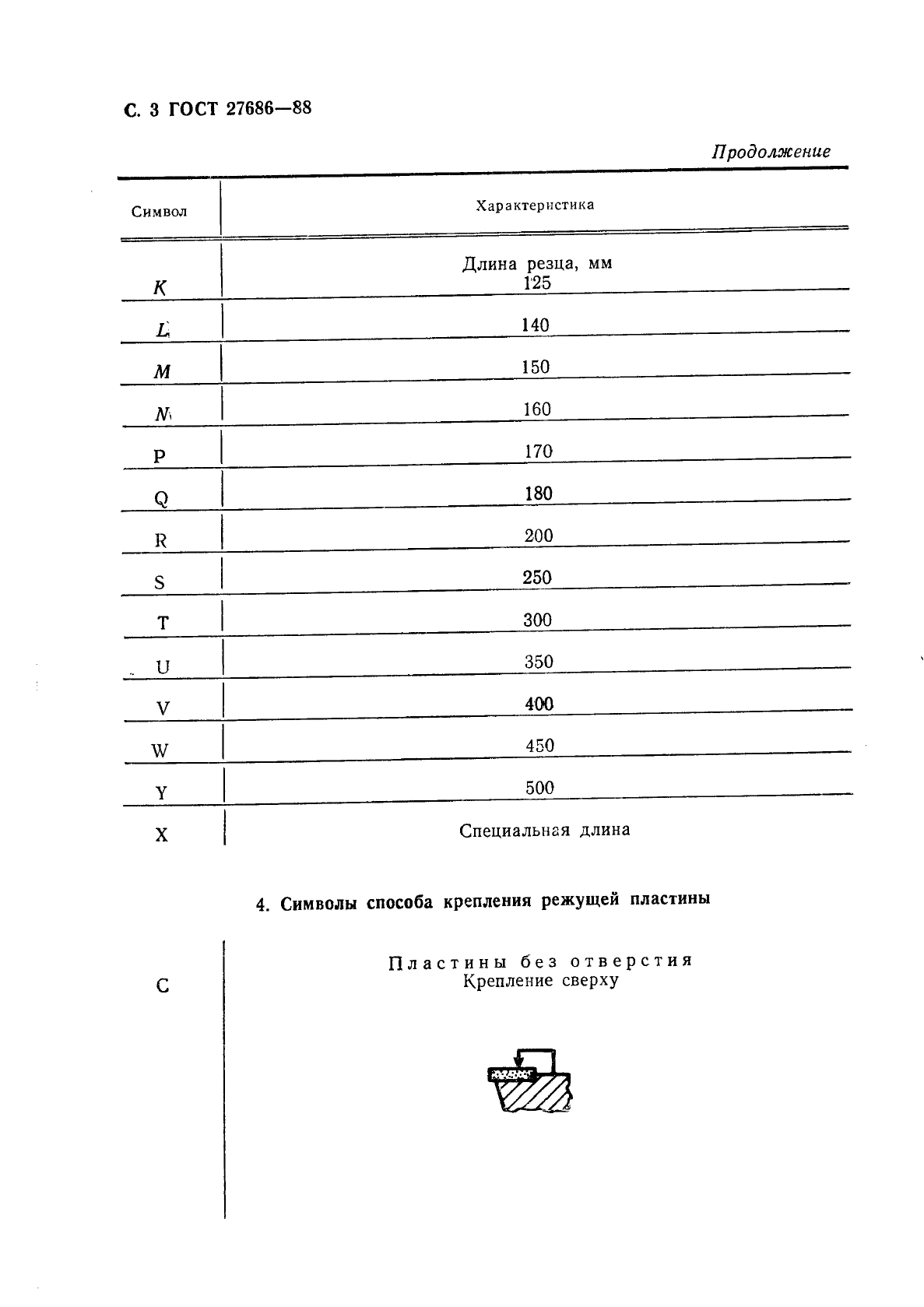
| Обозначение: |  ГОСТ 27686-88 |
| Статус: | заменён |
| Название рус.: | Резцы расточные с механическим креплением режущих сменных многогранных пластин. Обозначения |
| Название англ.: | Boring tools with mechanically clamped indexable inserts. Symbols |
| Дата актуализации текста: | 06.04.2015 |
| Дата актуализации описания: | 01.07.2023 |
| Дата издания: | 25.07.1988 |
| Дата введения: | 01.07.1989 |
| Дата окончания срока действия: | 01.01.2017 |
| Код ОКП: | 390100 |
| Заменяющий: | ГОСТ ISO 5609-2015 |
| Содержит требования: | СТ СЭВ 5907-87 |
| Нормативные ссылки: | ГОСТ 19042-80 |
| Область применения: | Настоящий стандарт устанавливает условные обозначения расточных резцов с механическим креплением сменных режущих многогранных пластин с цилиндрической державкой |
|