| Обозначение: |  ГОСТ 20859.1-89 |
| Статус: | действующий |
| Название рус.: | Приборы полупроводниковые силовые. Общие технические требования |
| Название англ.: | Power semiconductor devices. General technical requirements |
| Дата актуализации текста: | 06.04.2015 |
| Дата актуализации описания: | 01.07.2023 |
| Дата издания: | 07.07.1989 |
| Дата введения: | 01.01.1990 |
| Код ОКП: | 341700 |
| Взамен: | ГОСТ 20859.1-79 |
| Заменяющий в части: | ГОСТ 30617-98 в части модулей |
| Содержит требования: | СТ СЭВ 1135-88 |
| Нормативные ссылки: | IEC 60747-1(1983);IEC 60747-2(1983);IEC 60747-6(1983);IEC 60147-IJ(1981); ГОСТ 2.601-68; ГОСТ 20.57.406-81; ГОСТ 8032-84; ГОСТ 15133-77; ГОСТ 15150-69; ГОСТ 15543-70; ГОСТ 17516-72; ГОСТ 18242-72; ГОСТ 20003-74; ГОСТ 20332-84; ГОСТ 23216-78; ГОСТ 23900-87; ГОСТ 24461-80; ГОСТ 24566-86; ГОСТ 25529-82; ГОСТ 27264-87; ГОСТ 27591-88 |
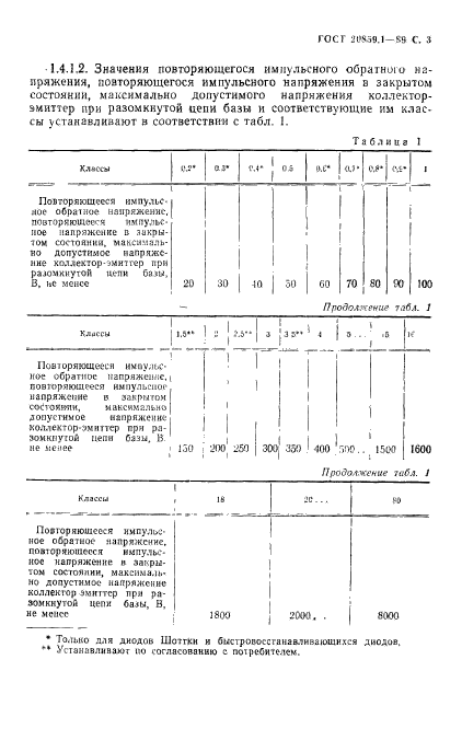
| Область применения: | Настоящий стандарт распространяется на силовые полупроводниковые приборы общего назначения - диоды, триодные тиристоры, биполярные (в том числе составные) транзисторы, полевые транзисторы и модули всех видов на максимально допустимые средние, действующие, импульсные или постоянные токи 10 А и более, предназначенные для применения в полупроводниковых преобразователях электроэнергии, а также в других цепях постоянного и переменного тока различных силовых электротехнических установок. Настоящий стандарт не распространяется на приборы и модули, работающие: 1) в средах с токопроводящей пылью; 2) в агрессивных средах при концентрациях, разрушающих металлы и изоляцию в недопустимых пределах в течение срока службы; 3) во взрывоопасной среде; 4) в условиях воздействия различных повреждающих приборы и модули излучений |
|