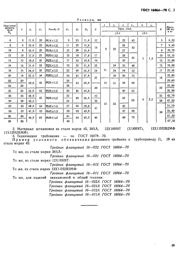
| Обозначение: |  ГОСТ 16064-70 |
| Статус: | действующий |
| Название рус.: | Тройники фланцевые герметизируемые несимметричные для соединений трубопроводов по внутреннему конусу. Конструкция и размеры |
| Название англ.: | Flange union tees asymmetric hermetable for tube connections on internal cone. Construction and dimensions |
| Дата актуализации текста: | 06.04.2015 |
| Дата актуализации описания: | 01.01.2021 |
| Дата издания: | 01.06.1987 |
| Дата введения: | 01.01.1971 |
| Код ОКП: | 759900;374000 |
| Нормативные ссылки: | ГОСТ 16078-70 |
| Область применения: | Настоящий стандарт устанавливает конструкцию и размеры фланцевых тройников для соединений трубопроводов по внутреннему конусу |
|