| Обозначение: |  ГОСТ 18870-73 |
| Статус: | действующий |
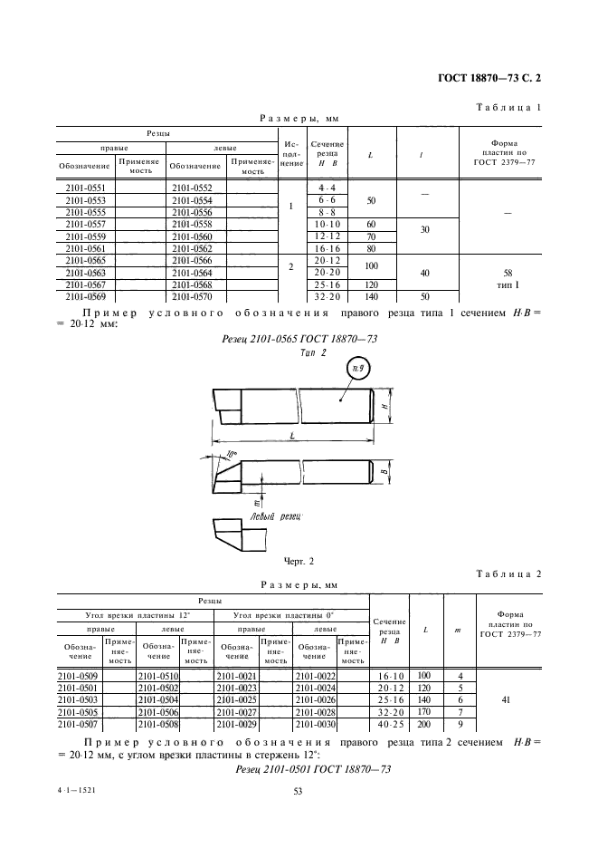
| Название рус.: | Резцы токарные проходные упорные из быстрорежущей стали. Конструкция и размеры |
| Название англ.: | HSS side bullnose turning tools. Design and dimensions |
| Дата актуализации текста: | 06.04.2015 |
| Дата актуализации описания: | 01.07.2023 |
| Дата издания: | 01.09.2003 |
| Дата введения: | 01.07.1974 |
| Код ОКП: | 392113 |
| Взамен: | МН 644-64;МН 645-64;МН 5220-64 |
| Взамен в части: | ГОСТ 10043-62 в части типов III и IV |
| Нормативные ссылки: | ГОСТ 2379-77; ГОСТ 18868-73; ГОСТ 10047-62 |
| Область применения: | Настоящий стандарт распространяется на токарные проходные упорные резцы общего назначения из быстрорежущей стали |
| Список изменений: | №1 от 01.06.1981 (рег. 23.01.1981) «Срок действия продлен» |
|