| Обозначение: |  ГОСТ 19963-74 |
| Статус: | действующий |
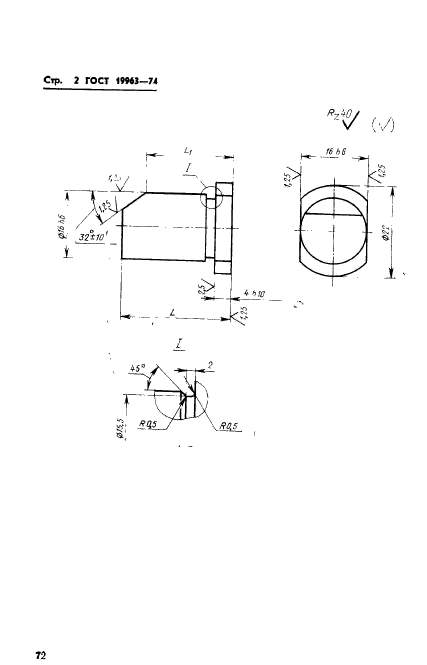
| Название рус.: | Замки пресс-форм для выплавляемых моделей. Конструкция и размеры |
| Название англ.: | Locks for wax-pattern dies. Design and dimensions |
| Дата актуализации текста: | 06.04.2015 |
| Дата актуализации описания: | 01.07.2023 |
| Дата издания: | 01.04.1982 |
| Дата введения: | 01.01.1976 |
| Код ОКП: | 396190 |
| Взамен: | МН 4333-63;МН 4337-63 |
| Нормативные ссылки: | ГОСТ 1435-74; ГОСТ 19999-74 |
| Область применения: | Настоящий стандарт распространяется на замки, применяемые в пресс-формах, устанавливаемых на автоматах для изготовления модельных звеньев в автоматизированном производстве литья по выплавляемым моделям |
| Список изменений: | №1 от 01.10.1982 (рег. 03.05.1982) «Срок действия продлен» |
|