| Обозначение: |  ГОСТ 2133-75 |
| Статус: | действующий |
| Название рус.: | Опоки литейные. Типы и основные размеры |
| Название англ.: | Foundry boxes. Types and basic dimensions |
| Дата актуализации текста: | 06.04.2015 |
| Дата актуализации описания: | 01.01.2021 |
| Дата издания: | 19.01.1976 |
| Дата введения: | 01.01.1977 |
| Код ОКП: | 396550 |
| Взамен: | ГОСТ 2133-57 |
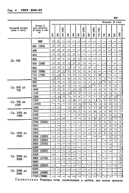
| Область применения: | Настоящий стандарт распространяется на линейные опоки, предназначенные для изготовления песчаных форм машинной и ручной формовкой. Стандарт не распространяеся на съемные опоки для форм безопочной заливки |
|