| Обозначение: |  ГОСТ 21092-75 |
| Статус: | действующий |
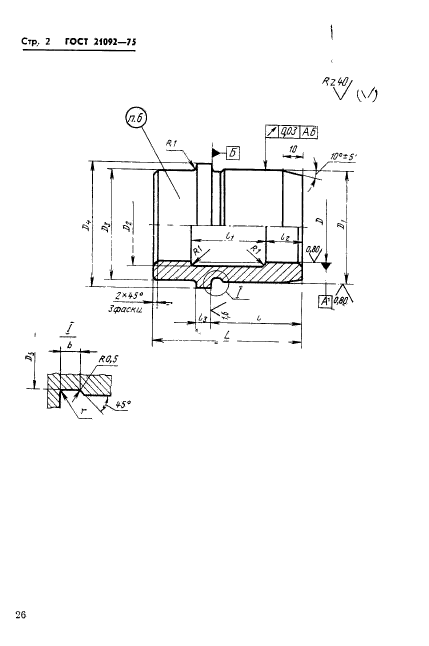
| Название рус.: | Втулки направляющих колонок для кокилей с жидкостным охлаждением. Конструкция и размеры |
| Название англ.: | Guide columns bushes for chill moulds with fluid cooling. Construction and dimensions |
| Дата актуализации текста: | 06.04.2015 |
| Дата актуализации описания: | 01.07.2023 |
| Дата издания: | 01.11.1975 |
| Дата введения: | 01.01.1977 |
| Код ОКП: | 396190 |
| Нормативные ссылки: | ГОСТ 9.073-77; ГОСТ 1050-74; ГОСТ 21091-75 |
| Область применения: | Настоящий стандарт устанавливает конструкцию и размеры втулок направляющих колонок |
| Список изменений: | №1 от 30.06.1982 (рег. 15.02.1982) «Срок действия продлен» |
|