| Обозначение: |  ГОСТ 20927-75 |
| Статус: | действующий |
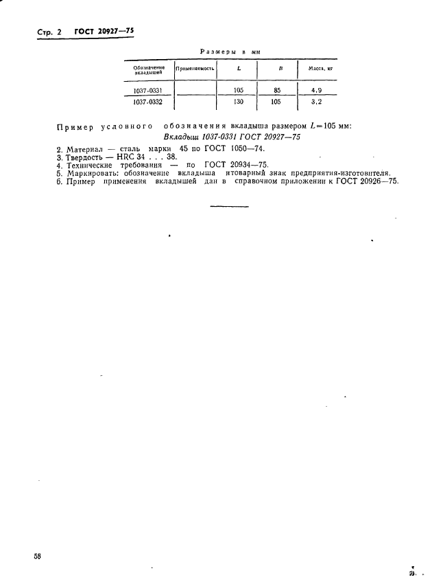
| Название рус.: | Вкладыши к блоку для сменных пресс-форм прямого прессования. Конструкция и размеры |
| Название англ.: | Inserts to the unit for changeable compression moulding press-moulds. Construction and dimensions |
| Дата актуализации текста: | 06.04.2015 |
| Дата актуализации описания: | 01.07.2023 |
| Дата издания: | 24.10.1975 |
| Дата введения: | 01.07.1976 |
| Код ОКП: | 686742 |
| Нормативные ссылки: | ГОСТ 1050-74; ГОСТ 20926-75; ГОСТ 20934-75 |
| Область применения: | Настоящий стандарт устанавливает конструкцию и размеры вкладышей к блоку для сменных пресс-форм прямого прессования |
| Список изменений: | №1 от 01.07.1981 (рег. 05.04.1981) «Срок действия продлен» №2 от 31.05.1985 (рег. 18.12.1984) «Срок действия продлен» |
|