| Обозначение: |  ГОСТ 23171-78 |
| Статус: | действующий |
| Название рус.: | Эмаль АК-512. Технические условия |
| Название англ.: | Enamel AK-512. Specifications |
| Дата актуализации текста: | 06.04.2015 |
| Дата актуализации описания: | 01.07.2023 |
| Дата издания: | 01.06.1990 |
| Дата введения: | 01.07.1979 |
| Код ОКП: | 231332 |
| Нормативные ссылки: | ГОСТ 12.1.005-88; ГОСТ 12.1.007-76; ГОСТ 12.3.005-75; ГОСТ 12.4.011-89; ГОСТ 17.2.3.02-78; ГОСТ 683-85; ГОСТ 4765-73; ГОСТ 4784-74; ГОСТ 5208-81; ГОСТ 5799-78; ГОСТ 6128-81; ГОСТ 6589-74; ГОСТ 6806-73; ГОСТ 7827-74; ГОСТ 8420-74; ГОСТ 8784-75; ГОСТ 8832-76; ГОСТ 9410-78; ГОСТ 9949-76; ГОСТ 9980.1-86; ГОСТ 9980.2-86; ГОСТ 9980.3-86; ГОСТ 9980.4-86; ГОСТ 9980.5-86; ГОСТ 12707-77; ГОСТ 14192-77; ГОСТ 15140-78; ГОСТ 17537-72; ГОСТ 19007-73; ГОСТ 19433-81; ГОСТ 27037-86 |
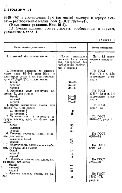
| Область применения: | Настоящий стандарт распространяется на эмаль АК-512, представляющую собой суспензию пигментов и наполнителей в растворе акриловых смол. Эмаль АК-512 предназначается для окраски предварительно загрунтованных металлических поверхностей изделий, эксплуатирующихся в специальных условиях и в районах с умеренным климатом. Эмаль наносят методом пневматического распыления |
| Список изменений: | №1 от 30.04.1984 (рег. 31.10.1983) «Срок действия продлен» №2 от 01.06.1989 (рег. 16.12.1988) «Срок действия продлен» |
|