| Обозначение: |  ГОСТ 21869-78 |
| Статус: | действующий |
| Название рус.: | Соединения трубопроводов резьбовые. Крестовины проходные. Конструкция |
| Название англ.: | Threaded pipeline connections. Union passage crosses. Construction |
| Дата актуализации текста: | 06.04.2015 |
| Дата актуализации описания: | 01.07.2023 |
| Дата издания: | 01.11.1985 |
| Дата введения: | 01.01.1980 |
| Код ОКП: | 419300 |
| Взамен: | ГОСТ 15795-70; ГОСТ 21869-76 |
| Нормативные ссылки: | ГОСТ 15763-91; ГОСТ 22525-77 |
| Область применения: | Настоящий стандарт распространяется на проходные крестовины для резьбовых соединений трубопроводов с углом конуса 24 град. |
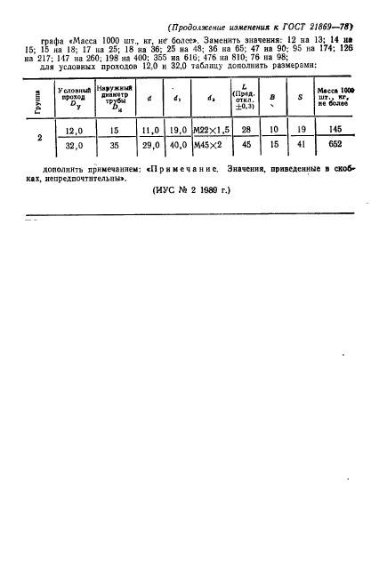
| Список изменений: | №1 от 01.07.1989 (рег. 21.11.1988) «Поправка» №2 от 01.09.1998 (рег. 13.05.1998) «Срок действия продлен» |
|