| Обозначение: |  ГОСТ 23119-78 |
| Статус: | не действует в РФ |
| Название рус.: | Фермы стропильные стальные сварные с элементами из парных уголков для производственных зданий. Технические условия |
| Название англ.: | Steel welded roof trusses of double angles for industrial buildings. Specifications |
| Дата актуализации текста: | 06.04.2015 |
| Дата актуализации описания: | 01.07.2023 |
| Дата издания: | 24.08.1978 |
| Дата введения: | 01.01.1979 |
| Дата окончания срока действия: | 01.01.2010 |
| Код ОКП: | 526131 |
| На территории РФ пользоваться: | ГОСТ 23118-2012 |
| Нормативные ссылки: | ГОСТ 9.032-74; ГОСТ 2789-73; ГОСТ 8509-72; ГОСТ 8510-72; ГОСТ 19903-74; ГОСТ 23118-78;СНиП II-В.3-72;СНиП II-28-73;СНиП III-18-75 |
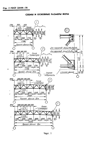
| Область применения: | Настоящий стандарт распространяется на стальные сварные стропильные фермы с элементами из парных уголков, соединенных в тавр, с уклоном верхнего пояса 1,5%, предназначенные для производственных зданий пролетами 18, 24, 30 и 36 м |
| Список изменений: | №0 от 01.01.2010 (рег. 05.04.2009) «Поправка к изменению» |
|