| Обозначение: |  ГОСТ 23093-78 |
| Статус: | действующий |
| Название рус.: | Установки сушильные для лакокрасочных покрытий. Типы и основные размеры |
| Название англ.: | Drying installations for varnish-and-paint coatings. Types and basic dimensions |
| Дата актуализации текста: | 06.04.2015 |
| Дата актуализации описания: | 01.07.2023 |
| Дата издания: | 01.02.1989 |
| Дата введения: | 01.07.1979 |
| Код ОКП: | 367600 |
| Нормативные ссылки: | ГОСТ 593-75 |
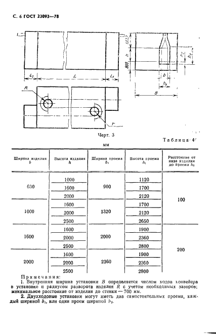
| Область применения: | Настоящий стандарт распространяется на конвективные, терморадиационные и терморадиационно-конвективные сушильные установки с подвесным и напольным конвейером, предназначенные для сушки лакокрасочных покрытий и покрытий на основе порошковых материалов |
| Список изменений: | №1 от 30.06.1984 (рег. 09.02.1984) «Срок действия продлен» №2 от 01.07.1989 (рег. 14.10.1988) «Срок действия продлен» |
|