| Обозначение: |  ГОСТ 23193-78 |
| Статус: | действующий |
| Название рус.: | Изделия швейные бытового назначения. Допуски |
| Название англ.: | Domestic sewing goods. Tolerances |
| Дата актуализации текста: | 06.04.2015 |
| Дата актуализации описания: | 01.01.2021 |
| Дата издания: | 01.01.1988 |
| Дата введения: | 01.01.1980 |
| Код ОКП: | 850000 |
| Отменен в части: | Отменен в части верхних, легких, бельевых и корсетных изделий, кроме сорочек, изделий для новорожденных и детей ясельной возрастной группы |
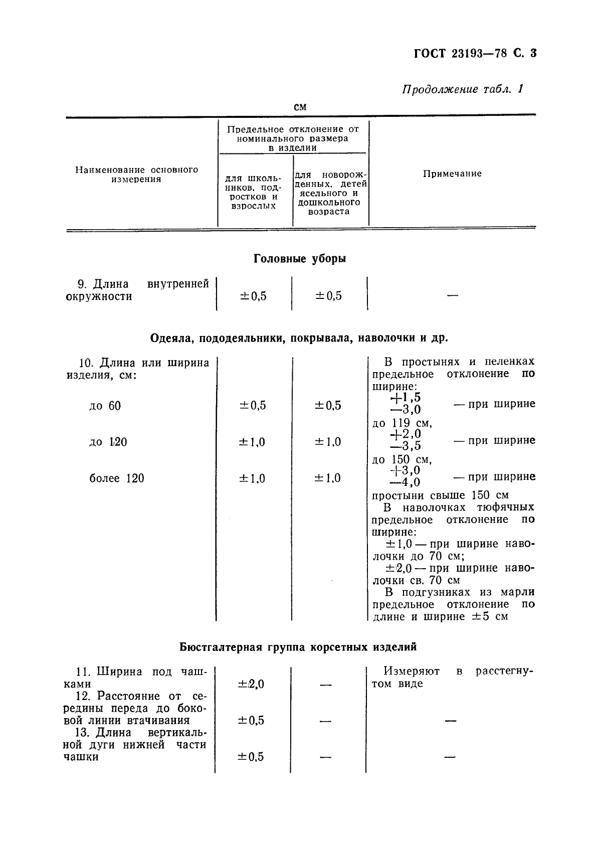
| Область применения: | Настоящий стандарт распространяется на все виды швейных изделий бытового назначения и устанавливает предельные отклонения от номинальных размеров готовых изделий |
| Список изменений: | №0 от 03.08.1987 (рег. 02.08.1987) «Срок действия продлен» №1 от 01.01.1982 (рег. 17.11.1981) «Срок действия продлен» №2 от 01.12.1984 (рег. 20.06.1984) «Срок действия продлен» |
|