| Обозначение: |  ГОСТ 11259-79 |
| Статус: | действующий |
| Название рус.: | Изделия швейные для военнослужащих. Определение сортности |
| Название англ.: | Sewing articles for servicemen. Grade determination |
| Дата актуализации текста: | 06.04.2015 |
| Дата актуализации описания: | 01.01.2021 |
| Дата издания: | 01.12.1986 |
| Дата введения: | 01.01.1981 |
| Код ОКП: | 850000 |
| Взамен: | ГОСТ 11259-69 |
| Нормативные ссылки: | ГОСТ 4103-63 |
| Область применения: | Настоящий стандарт распространяется на швейные изделия, предназначенные для военнослужащих Минобороны СССР, МВД СССР, Комитета госбезопасности СССР |
| Список изменений: | №1 от 01.01.1983 (рег. 09.06.1982) «Срок действия продлен» №2 от 01.04.1986 (рег. 26.09.1985) «Срок действия продлен» №3 от 01.01.1991 (рег. 20.06.1990) «Срок действия продлен» |
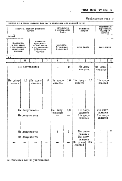
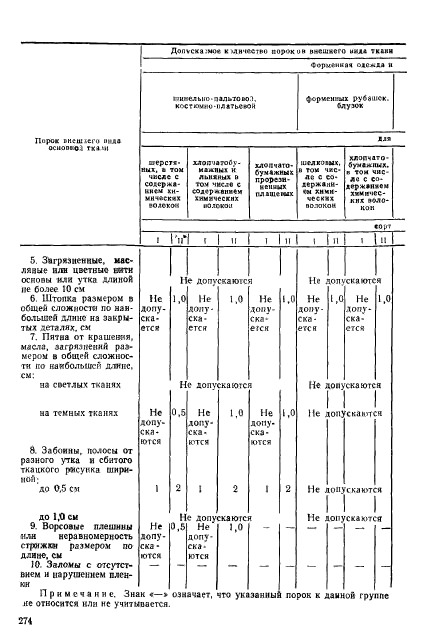
|