| Обозначение: |  ГОСТ 15843-79 |
| Статус: | действующий |
| Название рус.: | Принадлежности для промышленной радиографии. Основные размеры |
| Название англ.: | Accessories for industrial radiography. Main dimensions |
| Дата актуализации текста: | 06.04.2015 |
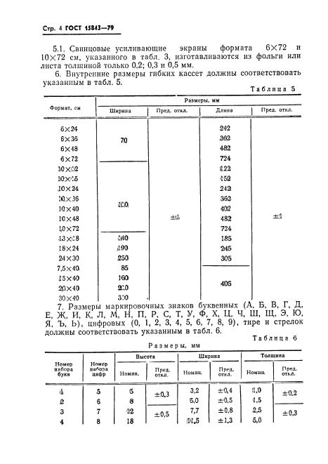
| Дата актуализации описания: | 01.07.2023 |
| Дата издания: | 01.04.1980 |
| Дата введения: | 01.07.1980 |
| Код ОКП: | 694680 |
| Взамен: | ГОСТ 15843-70 |
| Область применения: | Настоящий стандарт распространяется на рентгенографические форматные и рулонные пленки, свинцовые усиливающие экраны, гибкие кассеты и маркировочные знаки, являющиеся принадлежностями для промышленной радиографии, и устанавливает их основные размеры |
|