| Обозначение: |  ГОСТ 16098-80 |
| Статус: | действующий |
| Название рус.: | Соединения сварные из двухслойной коррозионностойкой стали. Основные типы, конструктивные элементы и размеры |
| Название англ.: | Welded joints of clad corrosionresistant steel. Main types, design elements and dimensions |
| Дата актуализации текста: | 06.04.2015 |
| Дата актуализации описания: | 01.07.2023 |
| Дата издания: | 01.06.1992 |
| Дата введения: | 01.01.1982 |
| Взамен: | ГОСТ 16098-70 |
| Нормативные ссылки: | ГОСТ 10885-85; ГОСТ 14771-76; ГОСТ 15164-78 |
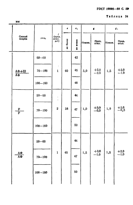
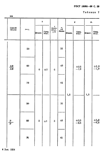
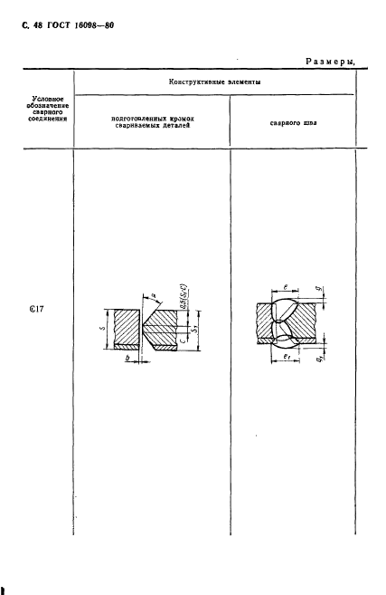
| Область применения: | Настоящий стандарт устанавливает основные типы, конструктивные элементы и размеры сварных соединений из двухслойной коррозионностойкой стали по ГОСТ 10885-85, выполняемых дуговой и электрошлаковой сваркой |
| Список изменений: | №1 от 01.07.1989 (рег. 07.02.1989) «Срок действия продлен» |
|