| Обозначение: |  ГОСТ 16223-81 |
| Статус: | действующий |
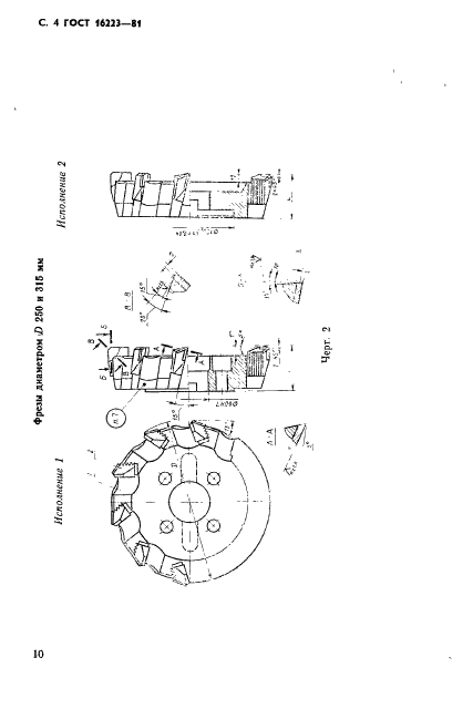
| Название рус.: | Фрезы торцовые насадные со вставными ножами с твердосплавными пластинами для обработки легких сплавов. Конструкция и размеры |
| Название англ.: | Shell end milling cutters with inserted carbide blades for machining light alloys. Types and dimensions |
| Дата актуализации текста: | 06.04.2015 |
| Дата актуализации описания: | 01.07.2023 |
| Дата издания: | 01.05.1990 |
| Дата введения: | 01.01.1983 |
| Код ОКП: | 391854 |
| Взамен: | ГОСТ 16223-70 |
| Нормативные ссылки: | ГОСТ 2568-71; ГОСТ 9472-83; ГОСТ 24360-80 |
| Область применения: | Настоящий стандарт распространяется на насадные торцовые фрезы диаметром D от 100 до 315 мм со вставными ножами, с твердосплавными пластинами, закрепляемые на фрезерных оправках или на концах шпинделей фрезерных станков и предназначенные для обработки легких сплавов |
| Список изменений: | №1 от 01.07.1988 (рег. 23.12.1987) «Срок действия продлен» |
|