| Обозначение: |  ГОСТ 24992-81 |
| Статус: | заменён |
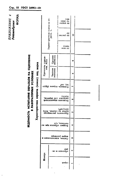
| Название рус.: | Конструкции каменные. Метод определения прочности сцепления в каменной кладке |
| Название англ.: | Masonry structures. Method of estimating bonding strength in masonry |
| Дата актуализации текста: | 06.04.2015 |
| Дата актуализации описания: | 01.07.2023 |
| Дата издания: | 08.04.1982 |
| Дата введения: | 01.07.1982 |
| Дата окончания срока действия: | 01.07.2015 |
| Заменяющий: | ГОСТ 24992-2014 |
| Нормативные ссылки: | ГОСТ 5802-78; ГОСТ 7855-77; ГОСТ 9467-75 |
| Область применения: | Настоящий стандарт распространяется на все виды каменной кладки |
|