| Обозначение: |  ГОСТ 28375-89 |
| Статус: | действующий |
| Название рус.: | Проигрыватели компакт-дисков. Общие технические требования и методы измерений |
| Название англ.: | Compact disc players. General technical requirements and methods of measurement |
| Дата актуализации текста: | 06.04.2015 |
| Дата актуализации описания: | 01.07.2023 |
| Дата издания: | 01.01.2006 |
| Дата введения: | 01.01.1991 |
| Код ОКП: | 658500 |
| Содержит требования: | IEC 60908(1986) |
| Нормативные ссылки: | ГОСТ 12.2.006-87; ГОСТ 15.009-91; ГОСТ 7399-97; ГОСТ 7518-83; ГОСТ 8039-93; ГОСТ 8711-93; ГОСТ 11478-88; ГОСТ 13699-91; ГОСТ 15150-69; ГОСТ 17187-81; ГОСТ 18953-73; ГОСТ 23511-79; ГОСТ 23849-87; ГОСТ 24838-87; ГОСТ 25874-83; ГОСТ 26794-85; ГОСТ 27667-88; ГОСТ 28002-88; ГОСТ 28376-89;Нормы 21-86;Нормы 2392-81 |
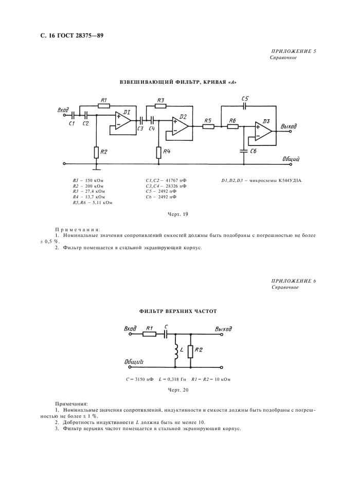
| Область применения: | Настоящий стандарт распространяется на бытовые проигрыватели компакт-дисков, предназначенные для воспроизведения цифрового звукового сигнала с компакт-диска. Стандарт устанавливает основные параметры и методы измерений. Компакт-диски и проигрыватели компакт-дисков являются составными частями системы "Компакт-диск", параметры которой определены ГОСТ 27667 и ГОСТ 28376 |
|