| Обозначение: |  ГОСТ 29016-91 |
| Статус: | действующий |
| Название рус.: | Эмали стекловидные и фарфоровые. Прибор для испытаний с помощью кислот и нейтральных жидкостей и их паров |
| Название англ.: | Vitreous and porcelain enamels. Apparatus for testing with acid and neutral liquids and their vapours |
| Дата актуализации текста: | 06.04.2015 |
| Дата актуализации описания: | 01.07.2023 |
| Дата издания: | 01.02.2005 |
| Дата введения: | 01.01.1992 |
| Содержит требования: | ISO 2733:1983 |
| Нормативные ссылки: | ISO 383:1976;ISO 641:1975;ISO 718:1982; ГОСТ 8682-93; ГОСТ 9737-93; ГОСТ 17733-89; ГОСТ 20403-75 |
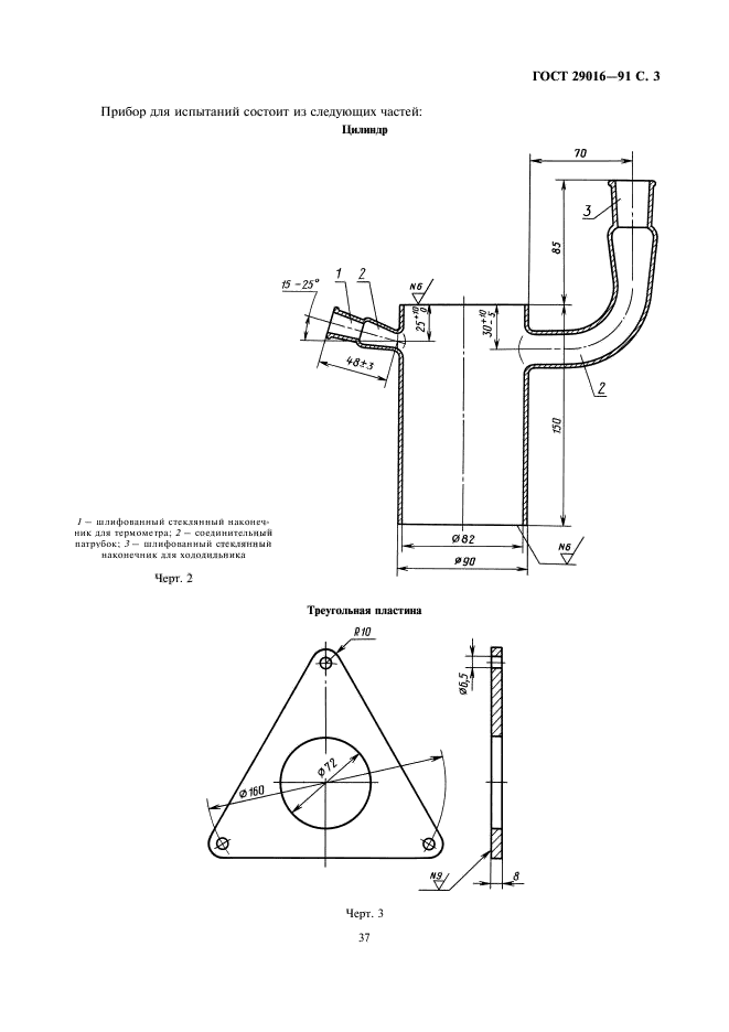
| Область применения: | Настоящий стандарт содержит описание прибора, предназначенного для испытания стойкости плоских поверхностей стекловидных и фарфоровых эмалей к жидкой и парообразной фазам коррозионной среды |
|