| Обозначение: |  ГОСТ 27301-87 |
| Статус: | действующий |
| Название рус.: | Пластины режущие сменные многогранные твердосплавные с радиусом при вершине с односторонним тороидальным отверстием. Конструкция и размеры |
| Название англ.: | Carbide indexablle cutting inserts with rounded corner, with one-sided toroidal fixing hole. Design and dimensions |
| Дата актуализации текста: | 06.04.2015 |
| Дата актуализации описания: | 01.07.2023 |
| Дата издания: | 01.09.2006 |
| Дата введения: | 01.01.1989 |
| Код ОКП: | 196000 |
| Содержит требования: | CT CЭB 5585-86 |
| Нормативные ссылки: | ГОСТ 19042-80; ГОСТ 19086-80 |
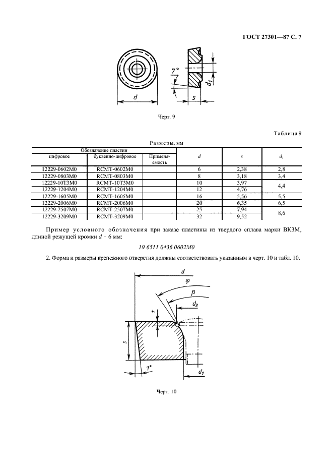
| Область применения: | Настоящий стандарт устанавливает конструкцию и размеры пластин режущих сменных многогранных твердосплавных с радиусом при вершине с односторонним тороидальным отверстием |
|