| Обозначение: |  ГОСТ 26492-85 |
| Статус: | действующий |
| Название рус.: | Прутки катаные из титана и титановых сплавов. Технические условия |
| Название англ.: | Titanium and titanium alloys rolled bars. Specifications |
| Дата актуализации текста: | 01.06.2024 |
| Дата актуализации описания: | 01.01.2021 |
| Дата издания: | 03.07.1985 |
| Дата введения: | 01.01.1987 |
| Код ОКП: | 182561 |
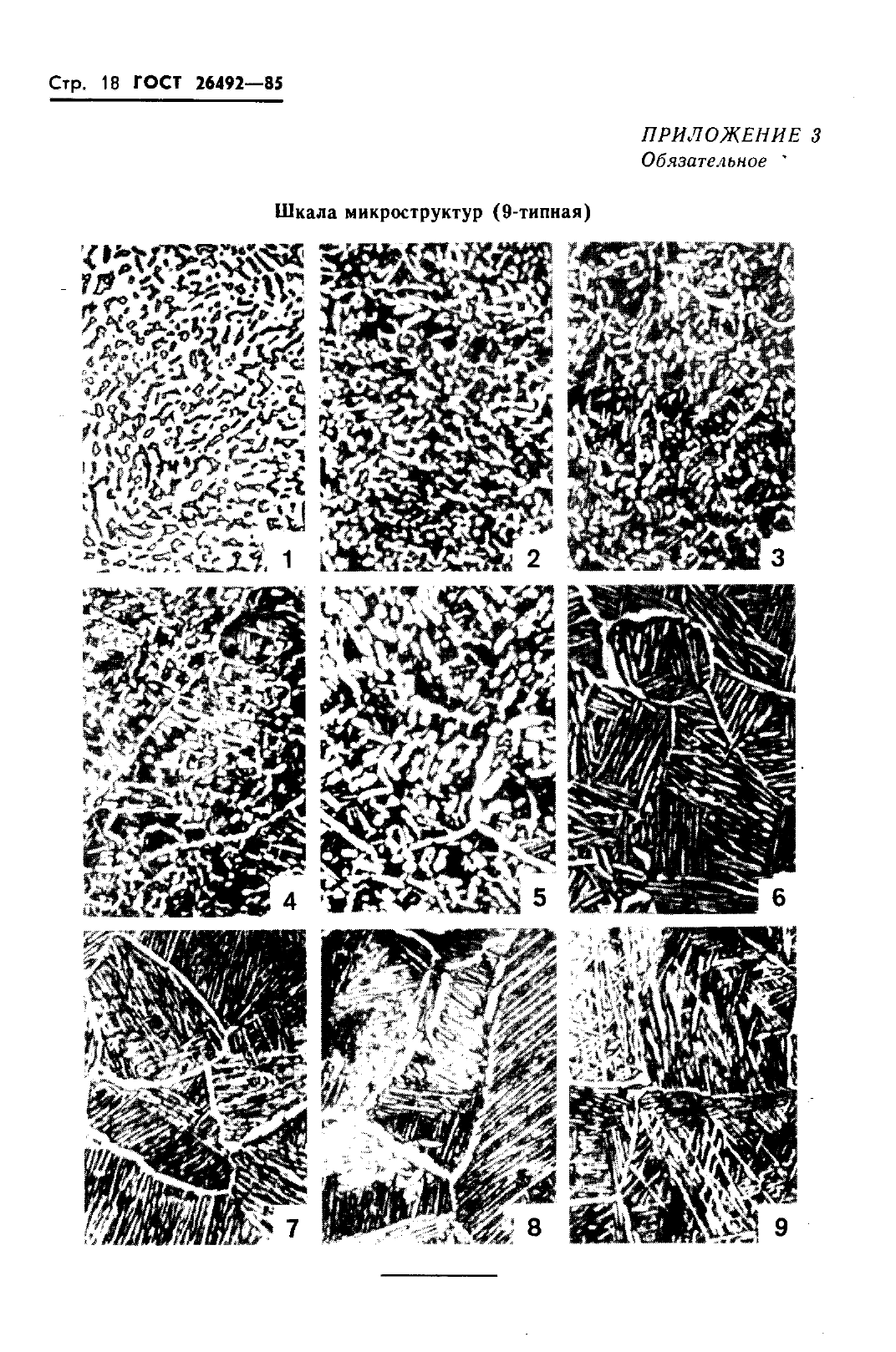
| Область применения: | Настоящий стандарт распространяется на круглые горячекатаные необточенные прутки из титана и титановых сплавов |
| Список изменений: | №1 от 01.04.1990 (рег. 20.09.1989) «Срок действия продлен» №2 от 01.01.1992 (рег. 08.09.1991) «Срок действия продлен» |
| Приложение №1: | Изменение к ГОСТ 26492-85. Поправка к изменению |
| Приложение №2: | Изменение №3 к ГОСТ 26492-85 |
|