| Обозначение: |  ГОСТ 26601-85 |
| Статус: | действующий |
| Название рус.: | Окна и балконные двери деревянные для малоэтажных жилых домов. Типы, конструкция и размеры |
| Название англ.: | Wooden windows and balcony doors for one-two story dwelling buildings. Types, structur and dimensins |
| Дата актуализации текста: | 06.04.2015 |
| Дата актуализации описания: | 01.07.2023 |
| Дата издания: | 01.07.2000 |
| Дата введения: | 01.01.1986 |
| Код ОКП: | 536139 |
| Нормативные ссылки: | ГОСТ 23166-78; ГОСТ 111-78; ГОСТ 4598-74; ГОСТ 2697-83; ГОСТ 8242-75; ГОСТ 10174-72; ГОСТ 538-78; ГОСТ 5087-80; ГОСТ 5088-78; ГОСТ 5090-79; ГОСТ 5091-78 |
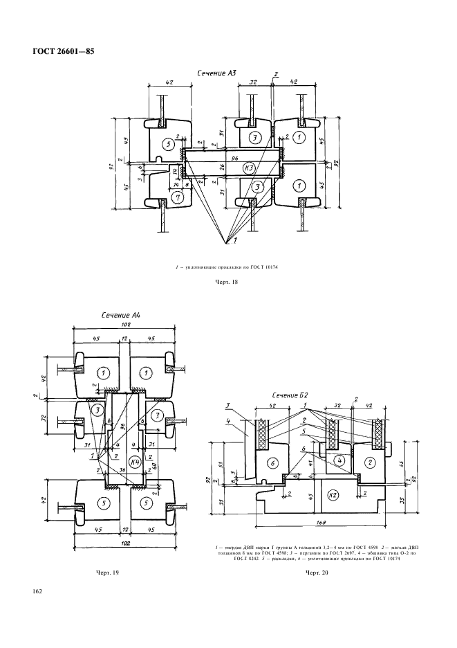
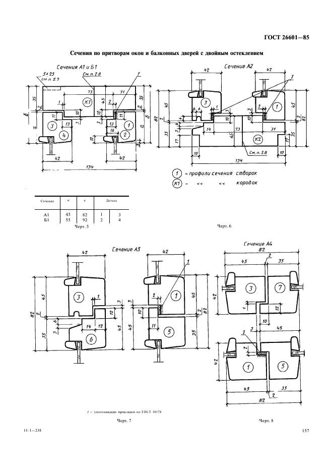
| Область применения: | Настоящий стандарт распространяется на деревянные окна и балконные двери с двойным и тройным остеклением, предназначенные для жилых домов высотой не более двух этажей |
|