| Обозначение: |  ГОСТ 28044-89 |
| Статус: | действующий |
| Название рус.: | Протяжки сборные для десятишлицевых отверстий с прямобочным профилем с центрированием по внутреннему диаметру комбинированные переменного резания. Конструкция |
| Название англ.: | Internal broaches for straight splines based at internal diameter one pass combined type. Construction |
| Дата актуализации текста: | 06.04.2015 |
| Дата актуализации описания: | 01.07.2023 |
| Дата издания: | 15.11.1989 |
| Дата введения: | 01.07.1990 |
| Код ОКП: | 392330 |
| Нормативные ссылки: | ГОСТ 1139-80; ГОСТ 1476-84; ГОСТ 4044-70; ГОСТ 4543-71; ГОСТ 5950-73; ГОСТ 7943-78; ГОСТ 11871-80; ГОСТ 14034-74; ГОСТ 19265-73; ГОСТ 20365-74 |
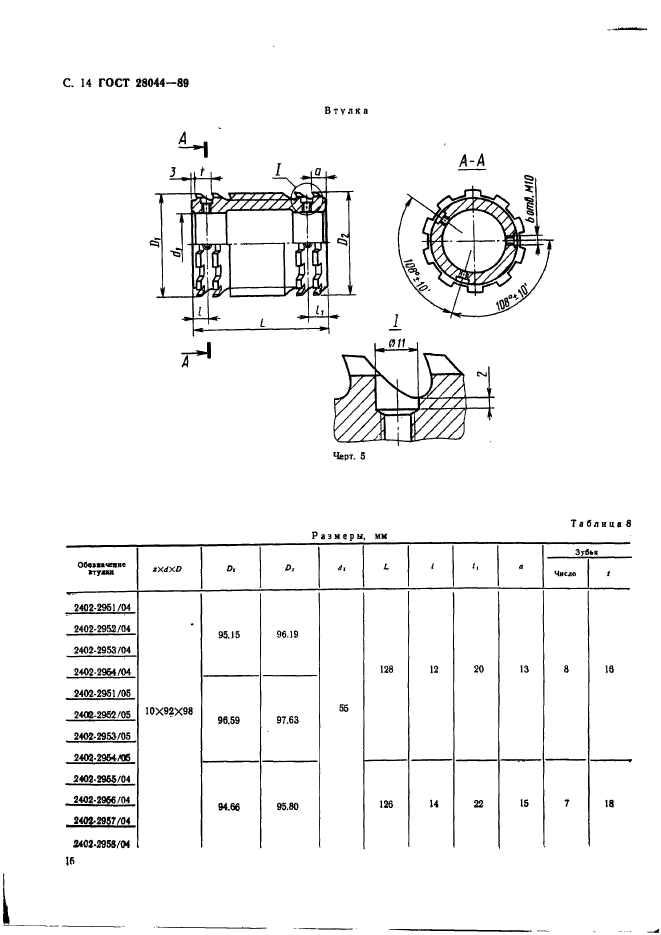
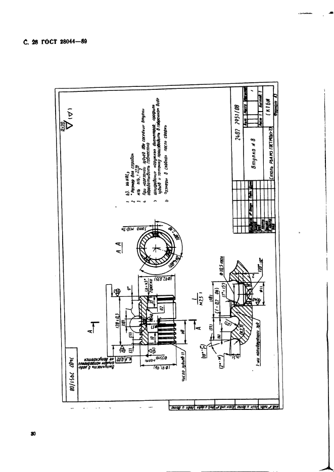
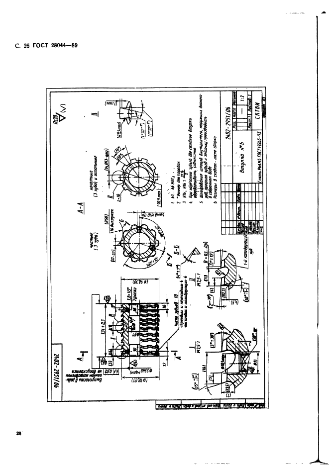
| Область применения: | Настоящий стандарт распространяется на комбинированные однопроходные сборные протяжки переменного резания универсального назначения, предназначенные для обработки десятишлицевых втулок с прямобочным профилем и допусками по ГОСТ 1139 с центрированием по внутреннему диаметру |
|