| Обозначение: |  ГОСТ 25645.149-89 |
| Статус: | действующий |
| Название рус.: | Излучение солнечное ультрафиолетовое коротковолновое. Характеристики потоков |
| Название англ.: | Solar extreme ultra-violet radiation. Characteristics of flux values |
| Дата актуализации текста: | 06.04.2015 |
| Дата актуализации описания: | 01.01.2021 |
| Дата издания: | 02.03.1990 |
| Дата введения: | 01.01.1991 |
| Нормативные ссылки: | ГОСТ 25645.302-83;РД 50-25645.120-85 |
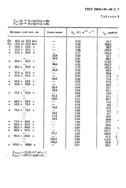
| Область применения: | Настоящий стандарт определяет модель распределения плотности потоков фотонов и энергии солнечного ультрафиолетового коротковолнового излучения по длине волны в диапазоне от 10 до 105 нм для различных уровней солнечной активности при отсутствии вспышек на Солнце. Стандарт предназначен для оценки параметров ионосферы, верхней атмосферы Земли и планет солнечной системы и радиационного воздействия излучения на технические устройства в космическом пространстве |
|