| Обозначение: |  ГОСТ 28079-89 |
| Статус: | действующий |
| Название рус.: | Системы обработки информации. Протокол уровня звена данных. Методы синхронной позначной передачи данных |
| Название англ.: | Information processing systems. Data link protocol. Methods of synchronous character oriented data transmission |
| Дата актуализации текста: | 06.04.2015 |
| Дата актуализации описания: | 01.07.2023 |
| Дата издания: | 23.08.1989 |
| Дата введения: | 01.01.1990 |
| Код ОКП: | 400000;501530 |
| Содержит требования: | СТ СЭВ 6178-88 |
| Нормативные ссылки: | ГОСТ 19768-74; ГОСТ 27463-87; ГОСТ 27465-87; ГОСТ 27466-87; ГОСТ 24402-88;СТ СЭВ 6185-88 |
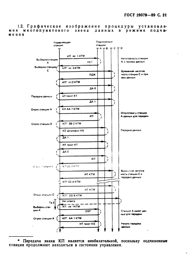
| Область применения: | Настоящий стандарт распространяется на протокол уровня звена данных для синхронной позначной передачи данных в основном режиме в 7-битном коде КОИ-7, в 8-битном коде ДКОИ и в кодонезависимом режиме в системах телеобработки данных и устанавливает: 1) наименование и обозначение управляющих знаков и их последовательностей; 2) структуру сообщения, блока данных и знака данных; 3) процедуры установления и поддержания синхронности работы звена данных; 4) процедуры установления звена данных; 5) процедуры передачи данных в основном режиме; 6) процедуры диалоговой передачи данных; 7) процедуры передачи данных в кодонезависимом режиме; 8) процедуры обнаружения и исправления ошибок |
|