| Обозначение: |  ГОСТ 19125-90 |
| Статус: | действующий |
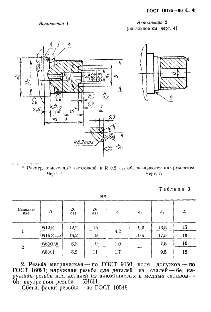
| Название рус.: | Части штуцеров соединительные бортовых авиационных приборов. Конструкция и размеры |
| Название англ.: | Fittings of connections for airborne instruments. Design and dimensions |
| Дата актуализации текста: | 06.04.2015 |
| Дата актуализации описания: | 01.07.2023 |
| Дата издания: | 28.05.1990 |
| Дата введения: | 01.07.1991 |
| Код ОКП: | 759900 |
| Взамен: | ГОСТ 19125-73 |
| Нормативные ссылки: | ГОСТ 9150-81; ГОСТ 10549-80; ГОСТ 13954-74; ГОСТ 13956-74; ГОСТ 13957-74; ГОСТ 16093-81; ГОСТ 25670-83 |
| Область применения: | Настоящий стандарт распространяется на соединительные части штуцеров бортовых авиационных приборов, предназначенных для измерения давления различных жидких и газообразных сред и устанавливает конструкцию и размеры соединительных частей штуцеров |
|