| Обозначение: |  ГОСТ 27802-93 |
| Статус: | действующий |
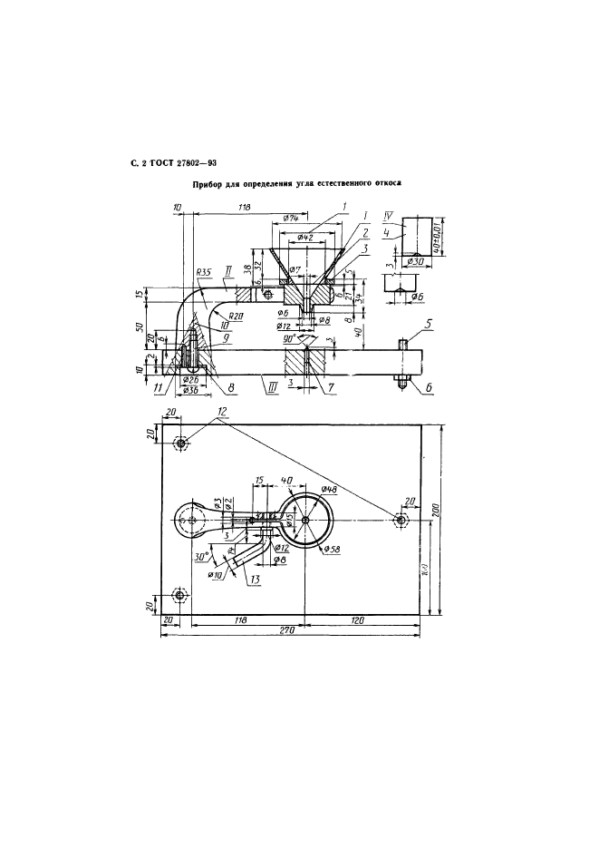
| Название рус.: | Глинозем. Метод определения угла естественного откоса |
| Название англ.: | Alumina. Method for the determination of repose angle |
| Дата актуализации текста: | 06.04.2015 |
| Дата актуализации описания: | 01.07.2023 |
| Дата регистрации: | 21.10.1993 |
| Дата издания: | 28.07.1995 |
| Дата введения: | 01.01.1995 |
| Код ОКП: | 171100 |
| Взамен: | ГОСТ 27802-88 |
| Содержит требования: | ISO 902:1976 |
| Нормативные ссылки: | ГОСТ 25389-93; ГОСТ 27798-93 |
| Область применения: | Настоящий стандарт распространяется на глинозем, предназначенный преимущественно для производства алюминия, и устанавливает метод определения угла естественного откоса |
|