| Обозначение: |  ГОСТ Р 51330.4-99 |
| Статус: | отменён |
| Название рус.: | Электрооборудование взрывозащищенное. Часть 3. Искрообразующие механизмы для испытаний электрических цепей на искробезопасность |
| Название англ.: | Electrical apparatus for explosive gas atmospheres. Part 3. Spart-test apparatus for intrinsically-safe cirсuits |
| Дата актуализации текста: | 06.04.2015 |
| Дата актуализации описания: | 01.01.2021 |
| Дата издания: | 19.09.2001 |
| Дата введения: | 01.01.2001 |
| Дата окончания срока действия: | 15.02.2014 |
| Код ОКП: | 340200 |
| Содержит требования: | IEC 60079-3(1990) |
| На территории РФ пользоваться: | ГОСТ 30852.4-2002 |
| Нормативные ссылки: | ГОСТ Р 51330.10-99 |
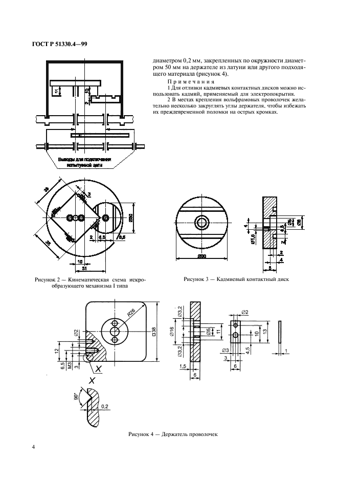
| Область применения: | Настоящий стандарт распространяется на взрывозащищенное электрооборудование (электротехнические устройства) групп I и II с взрывозащитой видов "искробезопаная электирическая цепь" , а также на электрооборудование с взрывозащитой других видов имеющее искробезопасные и связанные с ними искроопасные электрические цепи |
| Список изменений: | №0 от 15.02.2014 (рег. 29.11.2012) «Текстовое изменение; Изменено заглавие» |
|