| Обозначение: |  ГОСТ 21130-75 |
| Статус: | действующий |
| Название рус.: | Изделия электротехнические. Зажимы заземляющие и знаки заземления. Конструкция и размеры |
| Название англ.: | Electrical items. Earth terminals and earth signs. Design and dimensions |
| Дата актуализации текста: | 06.04.2015 |
| Дата актуализации описания: | 01.07.2023 |
| Дата издания: | 01.05.2003 |
| Дата введения: | 01.07.1976 |
| Код ОКП: | 342490 |
| Содержит требования: | СТ СЭВ 2308-80 |
| Нормативные ссылки: | IEC 60158-1;IEC 60292-1;IEC 60417; ГОСТ 9.303-84; ГОСТ 9.306-85; ГОСТ 12.2.007.0-75; ГОСТ 380-94; ГОСТ 1066-90; ГОСТ 1491-80; ГОСТ 1759.0-87; ГОСТ 1759.1-82; ГОСТ 3032-76; ГОСТ 3128-70; ГОСТ 5264-80; ГОСТ 5915-70; ГОСТ 5927-70; ГОСТ 6402-70; ГОСТ 7798-70; ГОСТ 7805-70; ГОСТ 8724-81; ГОСТ 9045-93; ГОСТ 10434-82; ГОСТ 11371-78; ГОСТ 12434-83; ГОСТ 15150-69; ГОСТ 15527-70; ГОСТ 15963-79; ГОСТ 17412-72; ГОСТ 17473-80; ГОСТ 22042-76; ГОСТ 25349-88; ГОСТ 26645-85 |
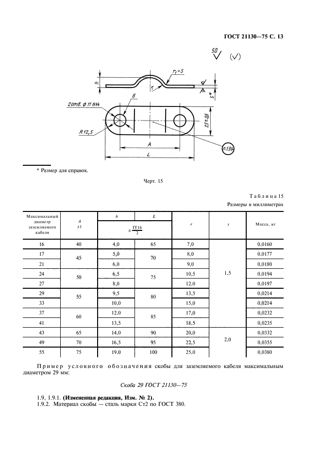
| Область применения: | Настоящий стандарт распространяется на заземляющие зажимы и знаки заземления, применяемые в электротехнических изделиях и приборах общего назначения, взрывозащищенных и рудничных изделиях для заземления корпусов, оболочек и брони кабелей и подсоединения заземляющих жил. Стандарт не распространяется на линейные, заземляющие зажимы, зажимы переносных заземляющих устройств, заземляющие зажимы, применяемые в бытовых изделиях, заземляющие зажимы для изделий и приборов, требования к которым регламентируются специальными правилами их изготовления (изделия и приборы радиотехники, судостроения и др.) |
| Список изменений: | №1 от 01.04.1977 (рег. 24.01.1977) «Срок действия продлен» №2 от 01.07.1979 (рег. 11.03.1979) «Срок действия продлен» №3 от 01.01.1982 (рег. 28.05.1981) «Срок действия продлен» №4 от 01.09.1986 (рег. 12.05.1986) «Срок действия продлен» №5 от 01.02.1991 (рег. 23.08.1990) «Срок действия продлен» |
|