| Обозначение: |  ГОСТ 22704-77 |
| Статус: | действующий |
| Название рус.: | Уплотнения шевронные резино-тканевые для гидравлических устройств. Технические условия |
| Название англ.: | Rubber-fabric chevron seals for hydraulic units. Specifications |
| Дата актуализации текста: | 06.04.2015 |
| Дата актуализации описания: | 01.07.2023 |
| Дата издания: | 01.08.1990 |
| Дата введения: | 01.01.1979 |
| Код ОКП: | 253141 |
| Нормативные ссылки: | ГОСТ 9.030-74; ГОСТ 269-66; ГОСТ 270-75; ГОСТ 427-75; ГОСТ 1104-69; ГОСТ 2930-62; ГОСТ 6768-75; ГОСТ 8828-75; ГОСТ 9569-79; ГОСТ 11358-89; ГОСТ 14192-77; ГОСТ 15152-69; ГОСТ 16511-86; ГОСТ 18573-86 |
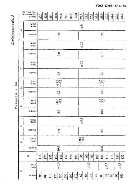
| Область применения: | Настоящий стандарт распространяется на шевронные резино-тканевые уплотнения для штоков и цилиндров гидравлических устройств диаметром до 2000 мм, работающих при давлении до 63 МПа со скоростью возвратно-поступательного движения до 3 м/с в среде минеральных масел, нефти, пресной и морской воды, водных эмульсий при температуре от минус 50 до плюс 100 град. С (кратковременно до 120 град. С) |
| Список изменений: | №1 от 01.01.1984 (рег. 25.07.1983) «Срок действия продлен» №2 от 01.09.1987 (рег. 24.03.1987) «Срок действия продлен» №3 от 01.01.1989 (рег. 19.06.1988) «Срок действия продлен» |
|