| Обозначение: |  ГОСТ 23022-78 |
| Статус: | действующий |
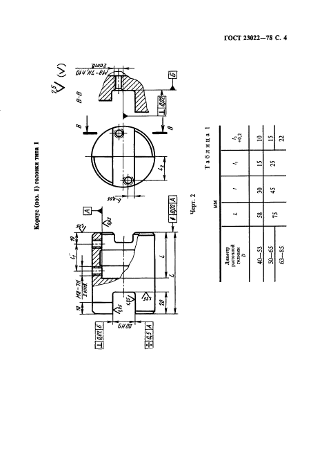
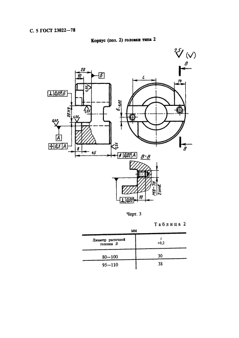
| Название рус.: | Головки расточные двухрезцовые. Типы и основные размеры |
| Название англ.: | Double cartridge boring heads. Types and basic dimensions |
| Дата актуализации текста: | 06.04.2015 |
| Дата актуализации описания: | 01.07.2023 |
| Дата издания: | 01.01.1995 |
| Дата введения: | 01.01.1980 |
| Код ОКП: | 392198 |
| Нормативные ссылки: | ГОСТ 9472-83; ГОСТ 13896-68; ГОСТ 16093-81; ГОСТ 25409-82 |
| Область применения: | Настоящий стандарт распространяется на двухрезцовые расточные головки, предназначенные для обработки отверстий и подрезки торцев деталей на станках с программным управлением и на универсальных станках |
| Список изменений: | №1 от 01.12.1984 (рег. 28.06.1984) «Срок действия продлен» |
|