Скачать ГОСТ 24179-80 Светофильтры, светофильтры-линзы, линзы, рассеиватели и отклоняющие вставки стеклянные для сигнальных приборов железнодорожного транспорта. Технические условияДата актуализации: 01.06.2025 ГОСТ 24179-80
Светофильтры, светофильтры-линзы, линзы, рассеиватели и отклоняющие вставки стеклянные для сигнальных приборов железнодорожного транспорта. Технические условия
| Обозначение: |  ГОСТ 24179-80 |
| Статус: | не действует в РФ |
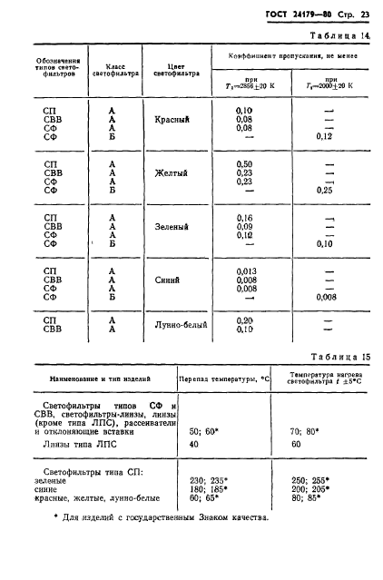
| Название рус.: | Светофильтры, светофильтры-линзы, линзы, рассеиватели и отклоняющие вставки стеклянные для сигнальных приборов железнодорожного транспорта. Технические условия | | Название англ.: | Glass filters, filter-lenses, lenses, dispersers and diflecting insertion for railway transport light-signal. Specifications | | Дата актуализации текста: | 06.04.2015 | | Дата актуализации описания: | 01.07.2023 | | Дата издания: | 11.08.1980 | | Дата введения: | 01.07.1981 | | Дата окончания срока действия: | 01.01.2011 | | Код ОКП: | 592730 | | Взамен: | ГОСТ 8547-69; ГОСТ 8548-69; ГОСТ 8555-69; ГОСТ 8557-69; ГОСТ 11949-73; ГОСТ 11950-69; ГОСТ 12282-75; ГОСТ 5.910-71 | | На территории РФ пользоваться: | ГОСТ Р 53784-2010 | | Нормативные ссылки: | ГОСТ 166-80; ГОСТ 2991-85; ГОСТ 5244-79; ГОСТ 10905-86; ГОСТ 11085-79; ГОСТ 11947-90; ГОСТ 15150-69; ГОСТ 15841-88; ГОСТ 16711-84; ГОСТ 18242-72; ГОСТ 18477-79; ГОСТ 19300-86;ТУ 2-034-225-87;ТУ 3-3.1048-75;ТУ 16-675.217-87 | | Область применения: | Настоящий стандарт распространяется на стеклянные светофильтры, светофильтры-линзы, линзы, рассеиватели и отклоняющие вставки, изготовляемые в климатическом исполнении 0, категории 1 по ГОСТ 15150-69, предназначенные для светосигнальных приборов, применяемых на железнодорожном транспорте, и устанавливает требования к продукции, изготовляемой для нужд народного хозяйства и экспорта | | Список изменений: | №0 от 01.01.2011 (рег. 31.03.2010) «Поправка к изменению» №1 от 01.01.1983 (рег. 18.07.1982) «Срок действия продлен» №2 от 01.07.1989 (рег. 19.12.1988) «Срок действия продлен» №3 от 01.01.1991 (рег. 24.06.1990) «Срок действия продлен» | |
                                           
|