| Обозначение: |  ГОСТ 21557-83 |
| Статус: | действующий |
| Название рус.: | Втулки и кольца соединительные для металлических сильфонов. Общие технические условия |
| Название англ.: | The bushings and rings for metallic bellows. General specifications |
| Дата актуализации текста: | 06.04.2015 |
| Дата актуализации описания: | 01.07.2023 |
| Дата издания: | 09.09.1983 |
| Дата введения: | 01.07.1984 |
| Код ОКП: | 418200 |
| Взамен: | ГОСТ 21557-76 |
| Нормативные ссылки: | ГОСТ 15.001-73; ГОСТ 515-77; ГОСТ 2991-85; ГОСТ 5959-80; ГОСТ 15150-69; ГОСТ 26964-86 |
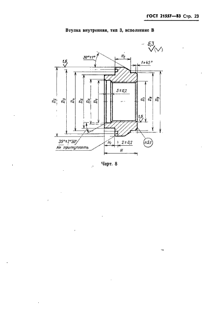
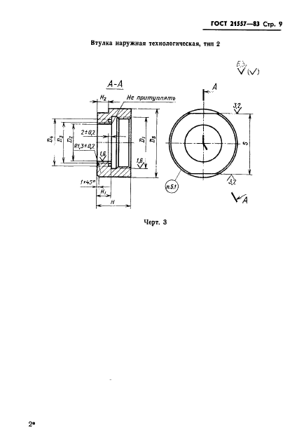
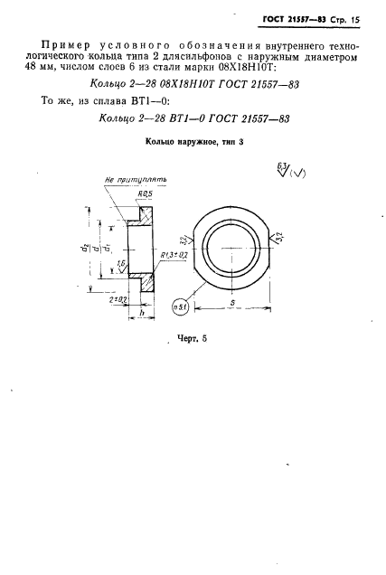
| Область применения: | Настоящий стандарт распространяется на соединительные втулки и кольца для многослойных металлических сильфонов, которые используются для соединения сильфонов с сопрягаемыми деталями или для технологических целей при формовании многослойных сильфонов с последующей срезкой |
| Список изменений: | №1 от 01.10.1988 (рег. 24.03.1988) «Поправка» |
|