Скачать ГОСТ 25650-83 Климат Антарктиды. Районирование и статистические параметры климатических факторов для технических целейДата актуализации: 01.06.2025 ГОСТ 25650-83
Климат Антарктиды. Районирование и статистические параметры климатических факторов для технических целей
| Обозначение: |  ГОСТ 25650-83 |
| Статус: | действующий |
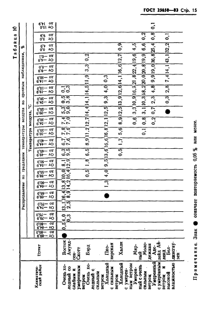
| Название рус.: | Климат Антарктиды. Районирование и статистические параметры климатических факторов для технических целей | | Название англ.: | Climate of Antarctica. Regionalizing and statistical parameters of climatic factors for technical purposes | | Дата актуализации текста: | 06.04.2015 | | Дата актуализации описания: | 01.01.2021 | | Дата издания: | 22.09.1983 | | Дата введения: | 01.01.1984 | | Нормативные ссылки: | ГОСТ 15150-69 | | Область применения: | Настоящий стандарт устанавливает климатическое районирование территории Антарктиды и статистические параметры климатических факторов, которые должны использоваться при установлении технических требований, выборе режимов испытаний, правил эксплуатации, хранения, транспорирования всех видов машин, приборов и других технических изделий, предназначенных для эксплуатации в одном из климатических районов, установленных настоящим стандартом | |
                                                       
|