| Обозначение: |  ГОСТ 21744-83 |
| Статус: | действующий |
| Название рус.: | Сильфоны многослойные металлические. Общие технические условия |
| Название англ.: | Multilayer metal bellows. General specifications |
| Дата актуализации текста: | 06.04.2015 |
| Дата актуализации описания: | 01.07.2023 |
| Дата издания: | 01.12.1989 |
| Дата введения: | 01.07.1984 |
| Код ОКП: | 369572 |
| Взамен: | ГОСТ 21744-76 |
| Отменен в части: | Восстановлен на территории РФ с 01.03.2016 только в отношении продукции, поставляемой по Государственному оборонному заказу |
| На территории РФ пользоваться: | ГОСТ Р 55019-2012 |
| Нормативные ссылки: | ГОСТ 2.124-85; ГОСТ 9.014-78; ГОСТ 9.301-86; ГОСТ 15.001-88; ГОСТ 27.503-81; ГОСТ 356-80; ГОСТ 2405-88; ГОСТ 2991-85; ГОСТ 4986-79; ГОСТ 5582-75; ГОСТ 5632-72; ГОСТ 5959-80; ГОСТ 7376-89; ГОСТ 10498-82; ГОСТ 14192-77; ГОСТ 15150-69; ГОСТ 21557-83; ГОСТ 26964-86 |
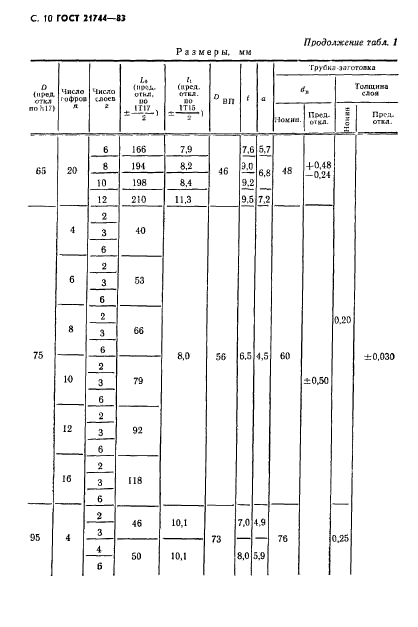
| Область применения: | Настоящий стандарт распространяется на многослойные металлические сильфоны, предназначенные для работы в качестве разделителей сред, уплотнительных элементов, а также элементов силового узла в средах, не вызывающих коррозии материала, при температуре от 13 К (минус 260 град. С) до 823 К (плюс 550 град. С), изготовляемые для нужд народного хозяйства |
| Список изменений: | №0 от 30.04.2013 (рег. 23.09.2012) «Поправка к изменению» №0 от 06.04.2014 (рег. 02.04.2014) «Восстановлен на территории РФ» №0 от 31.12.2015 (рег. 02.04.2014) «Поправка к изменению» №0 от 01.03.2016 (рег. 01.03.2016) «Восстановлен на территории РФ» №1 от 01.10.1988 (рег. 24.03.1988) «Поправка» |
|