| Обозначение: |  ГОСТ 25870-83 |
| Статус: | действующий |
| Название рус.: | Микроклиматические районы земного шара с холодным и умеренным климатом. Районирование и статистические параметры климатических факторов для технических целей |
| Название англ.: | Macroclimatic regions of the world with cold and temperate climate. Regionalizing and statistical parameters of climatic factors for technical purposes |
| Дата актуализации текста: | 06.04.2015 |
| Дата актуализации описания: | 01.07.2023 |
| Дата издания: | 17.04.1984 |
| Дата введения: | 01.07.1984 |
| Нормативные ссылки: | ГОСТ 15150-69; ГОСТ 16350-80 |
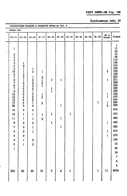
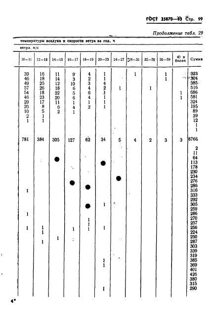
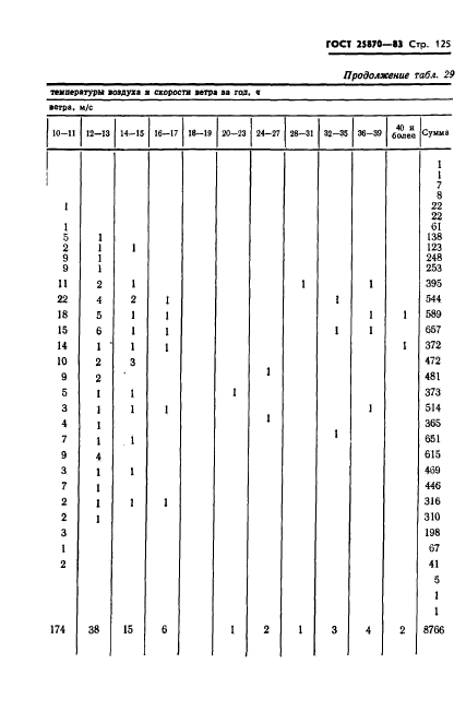
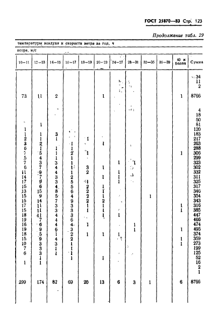
| Область применения: | Настоящий стандарт устанавливает климатическое районирование макроклиматических районов земного шара с холодным и умеренным климатом и статистические параметры климатических факторов, которые должны использоваться при установлении технических требований, выборе режимов испытаний, правил эксплуатации, хранения, транспортирования всех видов машин, приборов и других технических изделий, предназначенных для эксплуатации в одном из этих макроклиматических районов |
|