| Обозначение: |  ГОСТ 25579-83 |
| Статус: | действующий |
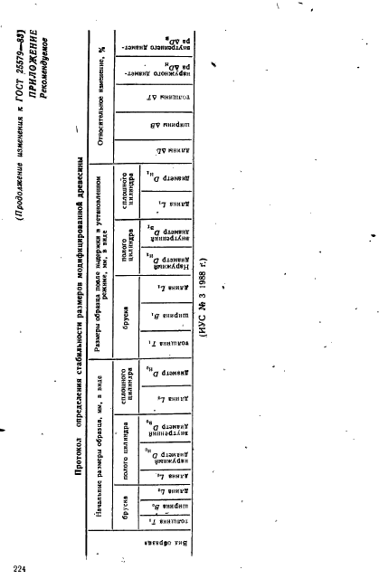
| Название рус.: | Древесина модифицированная. Метод определения стабильности размеров |
| Название англ.: | Modified wood. Method for determination of dimensions stability |
| Дата актуализации текста: | 06.04.2015 |
| Дата актуализации описания: | 01.07.2023 |
| Дата издания: | 16.03.1983 |
| Дата введения: | 01.07.1983 |
| Код ОКП: | 530000 |
| Нормативные ссылки: | ГОСТ 166-80; ГОСТ 577-68; ГОСТ 868-82; ГОСТ 5777-84; ГОСТ 6507-78; ГОСТ 7016-82; ГОСТ 9629-81; ГОСТ 16483.0-78; ГОСТ 24588-81 |
| Область применения: | Настоящий стандарт распространяется на марки модифицированной древесины, размеры заготовок которых позволяют вырезать образец требуемых размеров, и устанавливает метод определения стабильности размеров |
| Список изменений: | №1 от 01.07.1988 (рег. 21.12.1987) «Срок действия продлен» |
|