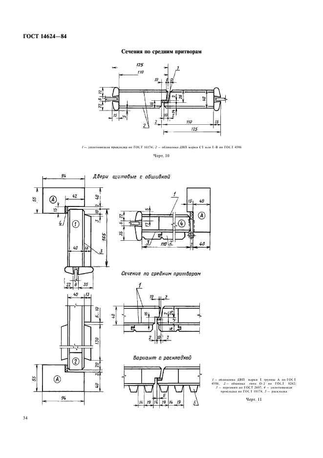
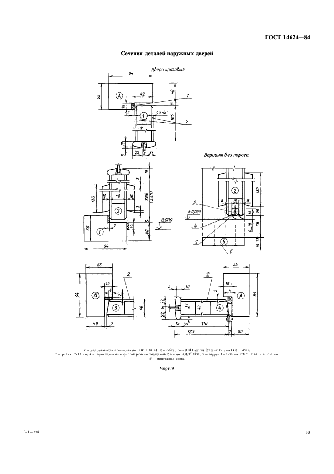
| Обозначение: |  ГОСТ 14624-84 |
| Статус: | заменён |
| Название рус.: | Двери деревянные для производственных зданий. Типы, конструкция и размеры |
| Название англ.: | Wood doors for industrial buildings. Types, construction and dimensions |
| Дата актуализации текста: | 06.04.2015 |
| Дата актуализации описания: | 01.07.2023 |
| Дата издания: | 01.07.2000 |
| Дата введения: | 01.07.1985 |
| Дата окончания срока действия: | 01.07.2017 |
| Код ОКП: | 536138 |
| Взамен: | ГОСТ 14624-69; ГОСТ 17324-71 |
| Заменяющий: | ГОСТ 475-2016 |
| Нормативные ссылки: | ГОСТ 475-78; ГОСТ 1144-80; ГОСТ 2697-83; ГОСТ 3916-69; ГОСТ 4028-63; ГОСТ 4598-86; ГОСТ 6629-74; ГОСТ 7338-77; ГОСТ 8242-75; ГОСТ 9590-76; ГОСТ 10174-72; ГОСТ 14624-84; ГОСТ 24698-81 |
| Область применения: | Настоящий стандарт распространяется на деревянные внутренние и наружные двери для производственных зданий промышленных и сельскохозяйственных предприятий. Стандарт не распространяется на двери специального исполнения (трудносгораемые, несгораемые, звукоизолирующие) |
|