| Обозначение: |  ГОСТ 17122-85 |
| Статус: | действующий |
| Название рус.: | Головки алмазные шлифовальные. Технические условия |
| Название англ.: | Diamond grinding points. Specifications |
| Дата актуализации текста: | 06.04.2015 |
| Дата актуализации описания: | 01.07.2023 |
| Дата издания: | 01.11.1999 |
| Дата введения: | 01.01.1987 |
| Код ОКП: | 397117;397217;397127;397227 |
| Взамен: | ГОСТ 17116-71; ГОСТ 17117-71; ГОСТ 17118-71; ГОСТ 17119-71; ГОСТ 17120-71; ГОСТ 17121-71; ГОСТ 17122-71 |
| Содержит требования: | СТ СЭВ 5160-85 |
| Нормативные ссылки: | ГОСТ 12.3.023-80; ГОСТ 1012-72; ГОСТ 1435-90; ГОСТ 2209-90; ГОСТ 2789-73; ГОСТ 8908-81; ГОСТ 9206-80; ГОСТ 18088-83; ГОСТ 19265-73; ГОСТ 24643-81 |
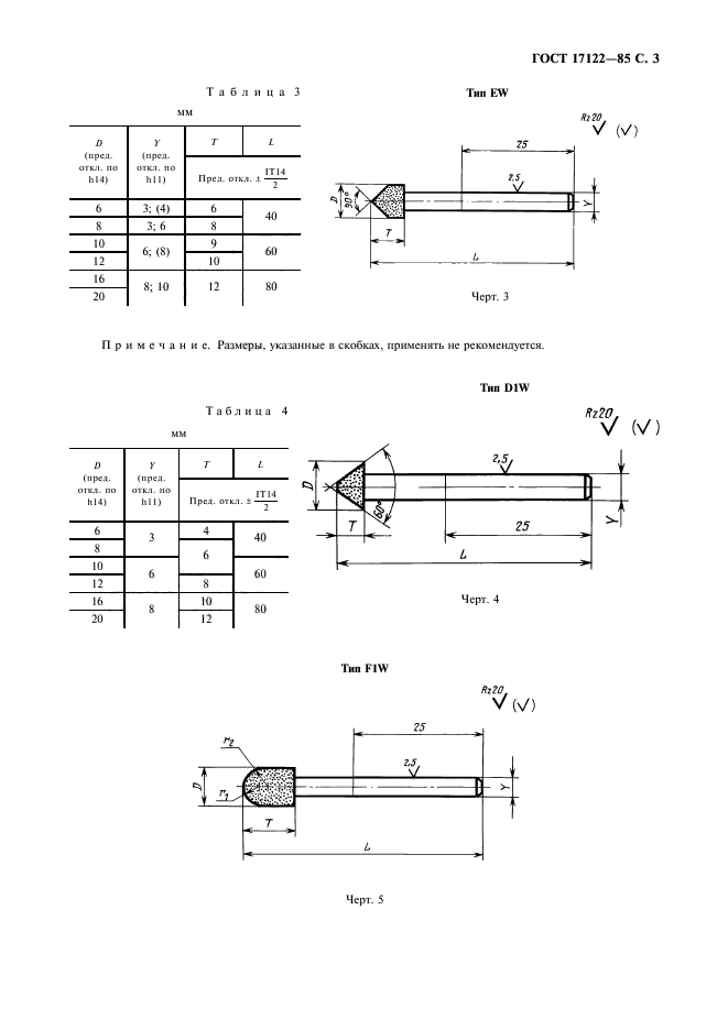
| Область применения: | Настоящий стандарт распространяется на алмазные шлифовальные головки, изготовляемые на металлической и органической связках методом порошковой металлургии для нужд народного хозяйства и экспорта |
| Список изменений: | №1 от 01.01.1987 (рег. 24.03.1986) «Срок действия продлен» №2 от 01.07.1987 (рег. 11.03.1987) «Срок действия продлен» №3 от 01.07.1991 (рег. 27.12.1990) «Срок действия продлен» |
|