| Обозначение: |  ГОСТ 26608-85 |
| Статус: | действующий |
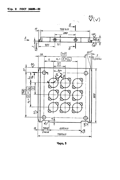
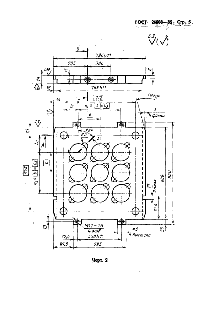
| Название рус.: | Блоки двухкассетных пресс-форм для изготовления резинотехнических изделий на прессах с размерами греющих плит 800х800 мм. Конструкция и размеры |
| Название англ.: | Blocks of two-kassette press moulds for producing the rubber technical parts on presses with heating plates dimensions 800x800 mm. Design and dimensions |
| Дата актуализации текста: | 06.04.2015 |
| Дата актуализации описания: | 01.07.2023 |
| Дата издания: | 27.11.1985 |
| Дата введения: | 01.06.1987 |
| Код ОКП: | 396389 |
| Нормативные ссылки: | ГОСТ 24276-80; ГОСТ 24269-80; ГОСТ 24270-80; ГОСТ 14901-79; ГОСТ 13941-80; ГОСТ 1050-74; ГОСТ 3800-71; ГОСТ 24511-80 |
| Область применения: | Настоящий стандарт распространяется на блоки двухкассетных пресс-форм для изготовления резинотехнических изделий на вулканизационных прессах с размерами греющих плит 800х800 мм, оборудованных перезарядчиками по ГОСТ 24276-80 |
|