| Обозначение: |  ГОСТ 26511-85 |
| Статус: | действующий |
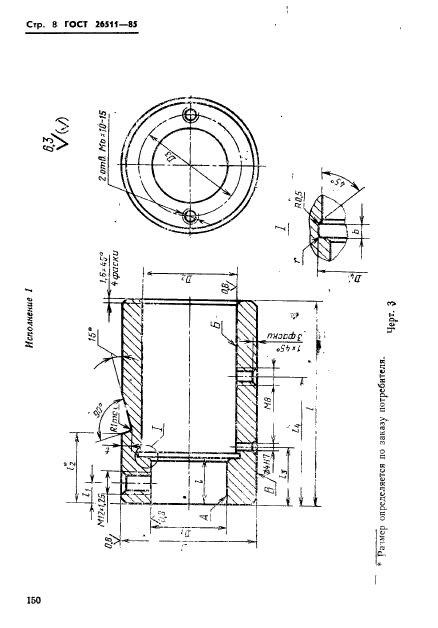
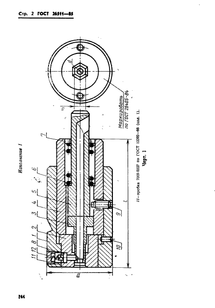
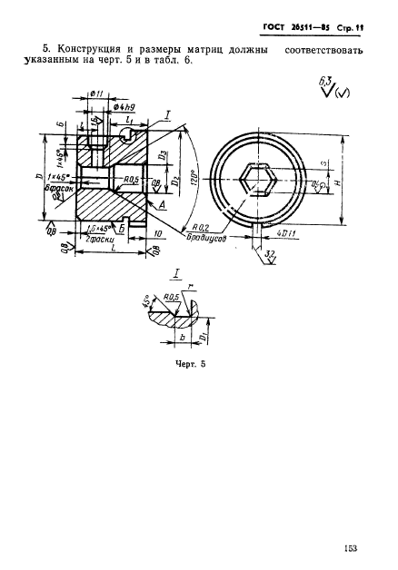
| Название рус.: | Инструмент для холодноштамповочных автоматов. Матрицы пятого перехода. Конструкция и размеры |
| Название англ.: | Tools for cold-forming machines. 5Th station dies. Construction and dimensions |
| Дата актуализации текста: | 06.04.2015 |
| Дата актуализации описания: | 01.07.2023 |
| Дата издания: | 29.10.1985 |
| Дата введения: | 01.07.1987 |
| Код ОКП: | 396329 |
| Нормативные ссылки: | ГОСТ 12202-66; ГОСТ 26405-84; ГОСТ 5915-70; ГОСТ 5927-70; ГОСТ 5929-70; ГОСТ 2524-70; ГОСТ 1050-74; ГОСТ 24643-81; ГОСТ 5950-73; ГОСТ 1435-74; ГОСТ 9389-75 |
| Область применения: | Настоящий стандарт распространяется на матрицы пятого перехода для высадки заготовок гаек номинальным диаметром резьбы от 6 до 20 мм |
| Список изменений: | №1 от 01.01.1991 (рег. 19.12.1989) «Срок действия продлен» |
|