| Обозначение: |  ГОСТ 26480-85 |
| Статус: | действующий |
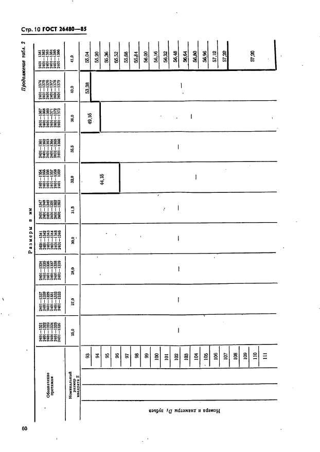
| Название рус.: | Протяжки для квадратных отверстий со стороной от 25 до 41 мм. Конструкция и размеры |
| Название англ.: | Square broaches for holes with sides from 25 to 41 mm. Design and dimensions |
| Дата актуализации текста: | 06.04.2015 |
| Дата актуализации описания: | 01.07.2023 |
| Дата издания: | 25.09.1985 |
| Дата введения: | 01.07.1986 |
| Код ОКП: | 392320 |
| Взамен: | МН 4936-63 |
| Нормативные ссылки: | ГОСТ 9523-84; ГОСТ 6424-73; ГОСТ 5260-75; ГОСТ 16030-70; ГОСТ 18828-73; ГОСТ 20365-74; ГОСТ 26479-85; ГОСТ 14034-74; ГОСТ 4044-70; ГОСТ 16492-70 |
| Область применения: | Настоящий стандарт распространяется на однопроходные протяжки универсального назначения, предназначенные для обработки квадратных отверстий со стороной от 25 до 41 мм |
| Список изменений: | №1 от 01.02.1988 (рег. 22.09.1987) «Срок действия продлен» |
|