| Обозначение: |  ГОСТ 16277-93 |
| Статус: | заменён |
| Название рус.: | Подкладки раздельного скрепления железнодорожных рельсов типов Р50, Р65 и Р75. Технические условия |
| Название англ.: | Plates of separate fastening for railway P50, P65 and P75 rails. Specifications |
| Дата актуализации текста: | 06.04.2015 |
| Дата актуализации описания: | 01.07.2023 |
| Дата регистрации: | 27.10.1993 |
| Дата издания: | 01.11.2005 |
| Дата введения: | 01.01.1995 |
| Дата окончания срока действия: | 01.01.2017 |
| Код ОКП: | 113000 |
| Взамен: | ГОСТ 16277-84; ГОСТ 16278-78; ГОСТ 16279-78 |
| Заменяющий: | ГОСТ 16277-2016 |
| Содержит требования: | ISO 6305-2:1983 |
| Нормативные ссылки: | ГОСТ 380-94; ГОСТ 1497-84; ГОСТ 7566-94; ГОСТ 9012-59; ГОСТ 17769-83 |
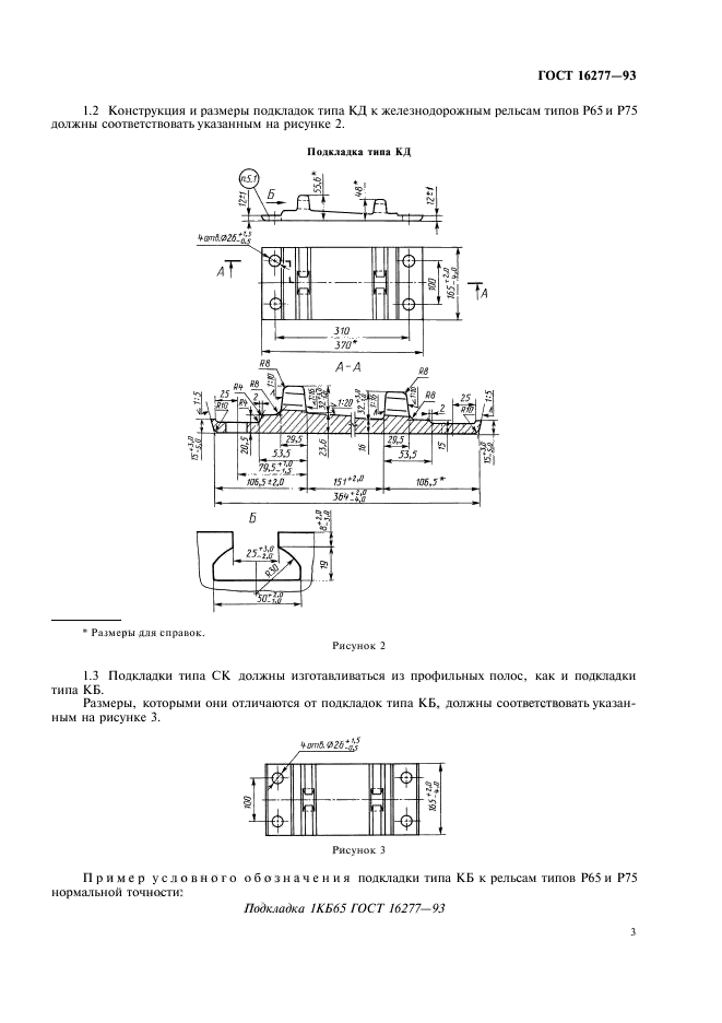
| Область применения: | Настоящий стандарт распространяется на металлические подкладки нормальной и повышенной точности для раздельного рельсового скрепления типов КБ, КД и СК к железнодорожным рельсам типов Р50, Р65 и Р75 и стрелочным переводам железнодорожного пути, изготавливаемые для нужд народного хозяйства и экспорта |
|