| Обозначение: |  ГОСТ 26841-86 |
| Статус: | действующий |
| Название рус.: | Режим атомных электростанций с кипящими реакторами большой мощности водно-химический. Нормы качества водного теплоносителя основного контура и контура системы управления и защиты, средства их обеспечения |
| Название англ.: | Water chemistry of nuclear power plants with high power boiling water reactors. Quality codes for water coolant of primary and control and safety system circuits and means of their realization |
| Дата актуализации текста: | 06.04.2015 |
| Дата актуализации описания: | 01.07.2023 |
| Дата издания: | 12.05.1986 |
| Дата введения: | 01.01.1987 |
| Код ОКП: | 690200 |
| Нормативные ссылки: | ГОСТ 9293-74; ГОСТ 11078-78; ГОСТ 26083-84 |
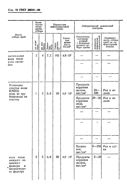
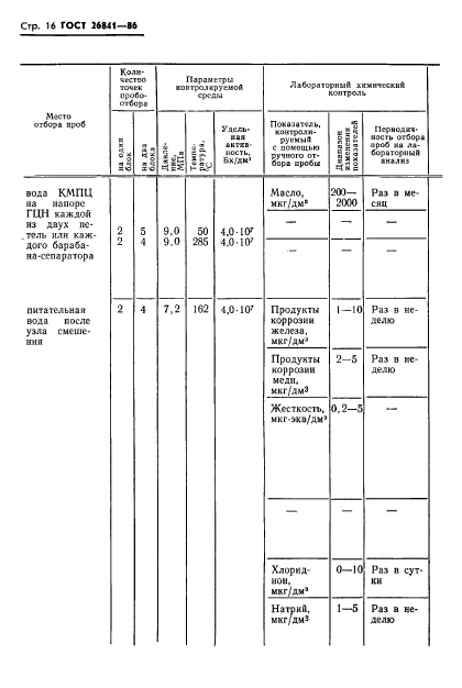
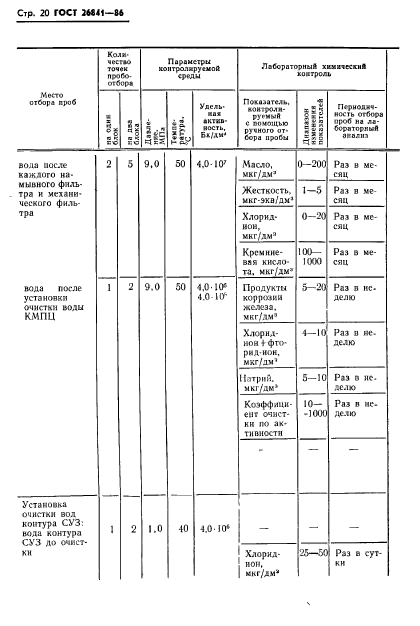
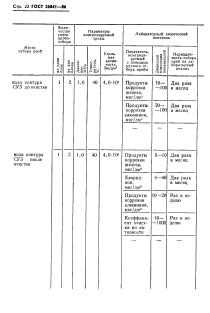
| Область применения: | Настоящий стандарт распространяется на водно-химический режим атомных электростанций (АЭС) с кипящими реакторами большой мощности 1000 МВт и устанавливает на стадии проектирования, эксплуатации и на период послемонтажного пуска АЭС нормы качества водного теплоносителя: воды контура многократной принудительной циркуляции, воды охлаждения контура системы управления и защиты реактора, питательной воды, насыщенного пара, конденсата турбин, воды заполнения и подпиточной воды, а также средства их обеспечения |
| Список изменений: | №1 от 01.10.1990 (рег. 22.03.1990) «Срок действия продлен» №2 от 01.01.1992 (рег. 11.07.1991) «Срок действия продлен» |
|