Скачать ГОСТ 28103-89 Тазы для машин прядильного производства. Типы, основные параметры и размерыДата актуализации: 01.06.2025 ГОСТ 28103-89
Тазы для машин прядильного производства. Типы, основные параметры и размеры
| Обозначение: |  ГОСТ 28103-89 |
| Статус: | действующий |
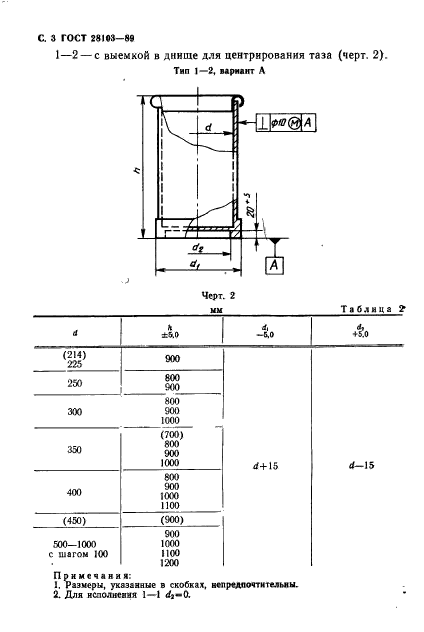
| Название рус.: | Тазы для машин прядильного производства. Типы, основные параметры и размеры | | Название англ.: | Cans for machines of spinning industry. Types, main parameteres and dimensions | | Дата актуализации текста: | 06.04.2015 | | Дата актуализации описания: | 01.07.2023 | | Дата издания: | 10.08.1989 | | Дата введения: | 01.01.1990 | | Код ОКП: | 967135 | | Содержит требования: | СТ СЭВ 6311-88 | | Нормативные ссылки: | ISO 93-1:1982;ISO 93-2:1978;ISO 93-3:1981 | | Область применения: | Настоящий стандарт распространяется на тазы для лент из всех видов волокон, применяемые на машинах прядильного производства, и устанавливает их типы, основные параметры и размеры | |
          
|