Скачать ГОСТ 6732.3-89 Красители органические, продукты промежуточные для красителей, вещества текстильно-вспомогательные. УпаковкаДата актуализации: 01.06.2025 ГОСТ 6732.3-89
Красители органические, продукты промежуточные для красителей, вещества текстильно-вспомогательные. Упаковка
| Обозначение: |  ГОСТ 6732.3-89 |
| Статус: | действующий |
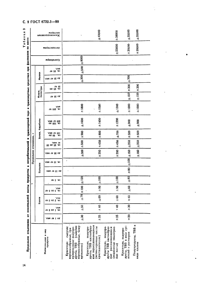
| Название рус.: | Красители органические, продукты промежуточные для красителей, вещества текстильно-вспомогательные. Упаковка | | Название англ.: | Organic dyes, intermediates for dyes, auxiliary compounds for textiles. Packing | | Дата актуализации текста: | 06.04.2015 | | Дата актуализации описания: | 01.07.2023 | | Дата издания: | 01.08.1993 | | Дата введения: | 01.01.1991 | | Код ОКП: | 246000 | | Взамен в части: | ГОСТ 6732-76 в части разд. 3 | | Нормативные ссылки: | ГОСТ 1341-84; ГОСТ 2226-88; ГОСТ 4514-78; ГОСТ 5044-79; ГОСТ 5799-78; ГОСТ 5958-79; ГОСТ 6128-81; ГОСТ 6247-79; ГОСТ 8273-75; ГОСТ 8777-80; ГОСТ 9338-80; ГОСТ 10354-82; ГОСТ 10674-82; ГОСТ 12082-82; ГОСТ 13950-84 | | Область применения: | Настоящий стандарт распространяется на органические красители, промежуточные продукты для красителей, текстильно-вспомогательные вещества и устанавливает требования к упаковке продукции | |
         
|